Запчасти Komatsu FD20 ДИФФЕРЕНЦ. ПРИВОД И HYPOID ПРИВОД(№7-89) СИЛОВАЯ ПЕРЕДАЧА И ПЕРЕДНИЙ МОСТ

Схема запчастей Komatsu FD20 - ДИФФЕРЕНЦ. ПРИВОД И HYPOID ПРИВОД(№7-89) СИЛОВАЯ ПЕРЕДАЧА И ПЕРЕДНИЙ МОСТ
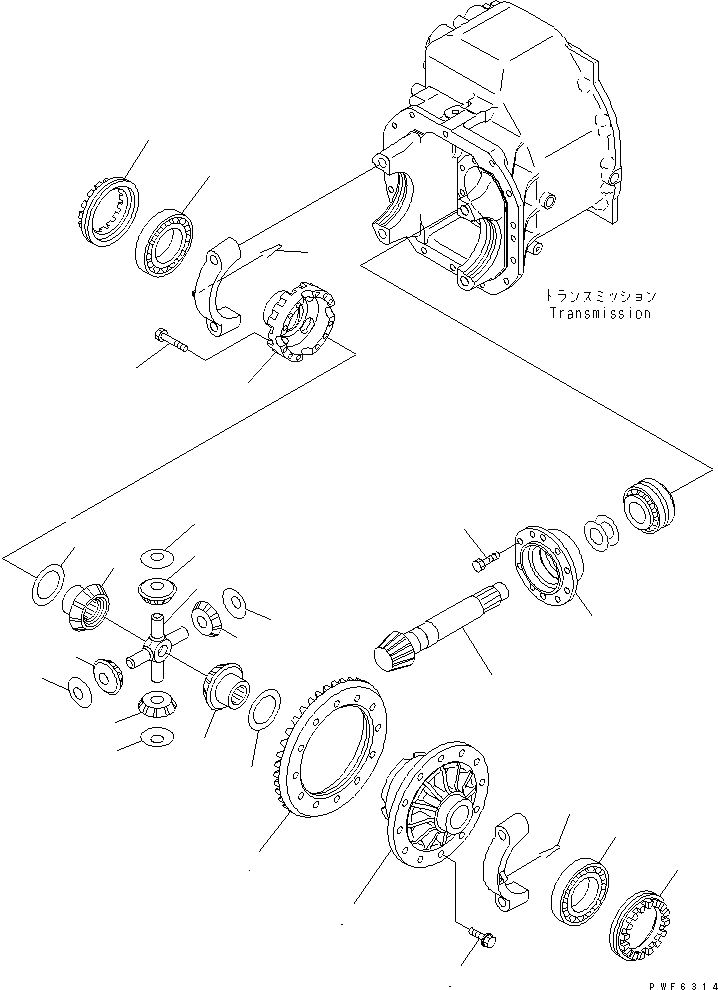
1
2
3
4
5
6
7
8
9
10
10
11
11
12
12
12
12
13
13
13
13
14
14
15
15
16
16
FIT
1:1
100%

Артикул

Название

Примечание

Количество

|$6

3EB-21-41030

PINION ASS'Y

SN: 570001-@

1шт.

1

0

GEAR

SN: 570001-@

1шт.

2

0

SHAFT

SN: 570001-@

1шт.

3

3EB-15-41520

CAGE

SN: 570001-@

1шт.

4

01010-81230

BOLT

SN: 570001-@

10шт.

5

3EB-21-11230

BOLT

SN: 570001-583039

12шт.

|$13

3EB-21-41110

DIFFERENTIAL ASS'Y

SN: 570001-@

1шт.

6

0

CASE

SN: 570001-@

1шт.

7

0

CASE

SN: 570001-@

1шт.

8

01010-81070

BOLT

SN: 570001-@

12шт.

9

3EB-21-11160

SPIDER

SN: 570001-@

1шт.

10

3EB-21-31141

GEAR

SN: 570001-@

2шт.

11

34B-21-12141

BUSHING

SN: 570001-@

2шт.

12

3EB-21-11340

GEAR

SN: 570001-@

4шт.

13

3EB-21-11370

BUSHING

SN: 570001-@

4шт.

14

316-22-21250

BEARING

SN: 570001-@

2шт.

15

34B-21-12230

SCREW

SN: 570001-@

2шт.

16

04050-18050

PIN,COTTER

SN: 570001-@

2шт.

Выбрано товаров: 18