Запчасти Komatsu FD20J ГТР ПОТОК ПРИВОД ТРАНСМИССИЯ (/) СИЛОВАЯ ПЕРЕДАЧА И ПЕРЕДНИЙ МОСТ

Схема запчастей Komatsu FD20J - ГТР ПОТОК ПРИВОД ТРАНСМИССИЯ (/) СИЛОВАЯ ПЕРЕДАЧА И ПЕРЕДНИЙ МОСТ
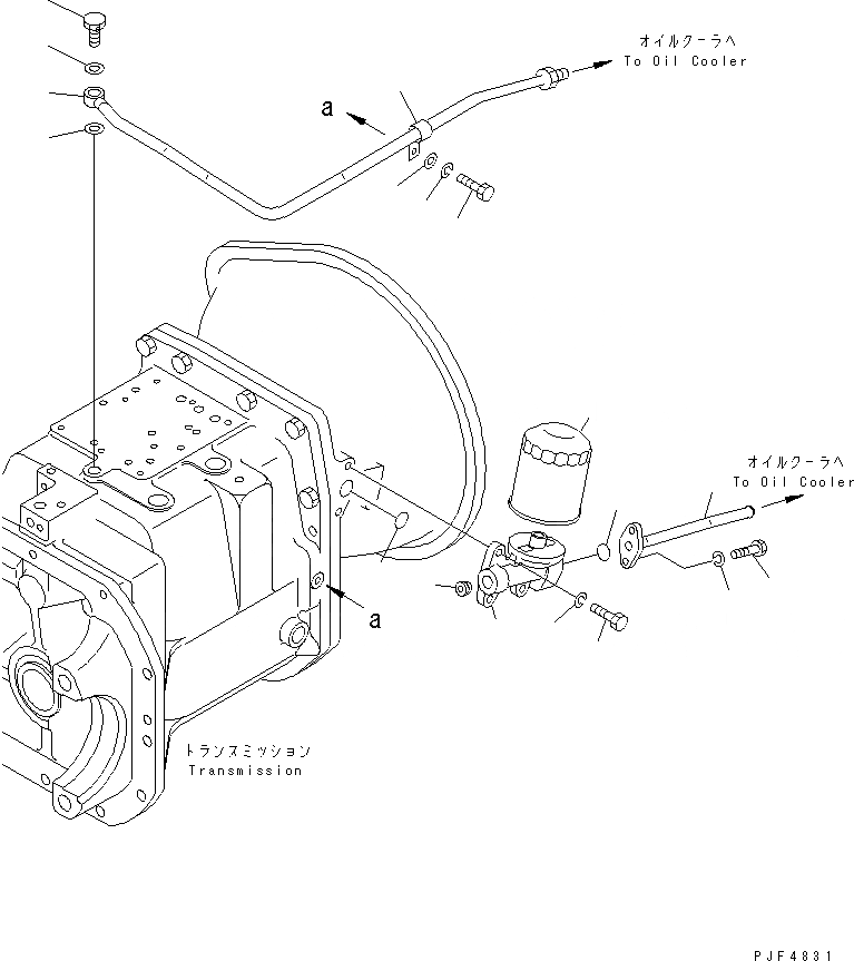
1
2
3
4
4
5
5
6
6
7
8
9
10
10
11
12
13
14
FIT
1:1
100%

Артикул

Название

Примечание

Количество

|$8

3EB-15-31510

FILTER ASS'Y,OIL

SN: 550001-UP

1шт.

1

3EB-15-31550

CARTRIDGE

SN: 550001-UP

1шт.

2

3EB-15-31540

HEAD

SN: 550001-UP

1шт.

3

07043-70312

PLUG

SN: 550001-UP

1шт.

4

07000-72020

O-RING (K5)

SN: 550001-UP

2шт.

5

01010-80825

BOLT

SN: 550001-UP

5шт.

6

01602-20825

WASHER,SPRING

SN: 550001-UP

5шт.

7

3EB-15-31420

PIPE

SN: 550001-UP

1шт.

8

3EB-15-31530

PIPE

SN: 550001-UP

1шт.

9

07206-31216

JOINT

SN: 550001-UP

1шт.

10

07005-01612

GASKET (K5)

SN: 550001-UP

2шт.

11

04434-11208

CLIP

SN: 550001-UP

1шт.

12

01010-80816

BOLT

SN: 550001-UP

1шт.

13

01602-20825

WASHER,SPRING

SN: 550001-UP

1шт.

14

01641-20812

WASHER

SN: 550001-UP

1шт.

|$$16

SERVICE KIT

-1шт.

K5

3EB-15-05061

SEAL KIT,TORQUE FLOW TRANSMISSION

SN: 550001-UP

1шт.

Выбрано товаров: 17