Запчасти Komatsu FD15-17 СИСТЕМА ТРУБ РАДИАТОРА (СУХ. МУФТА И ГИДРОТРАНСФОРМАТОР СПЕЦ-Я.) СИСТЕМА ОХЛАЖДЕНИЯ

Схема запчастей Komatsu FD15-17 - СИСТЕМА ТРУБ РАДИАТОРА (СУХ. МУФТА И ГИДРОТРАНСФОРМАТОР СПЕЦ-Я.) СИСТЕМА ОХЛАЖДЕНИЯ
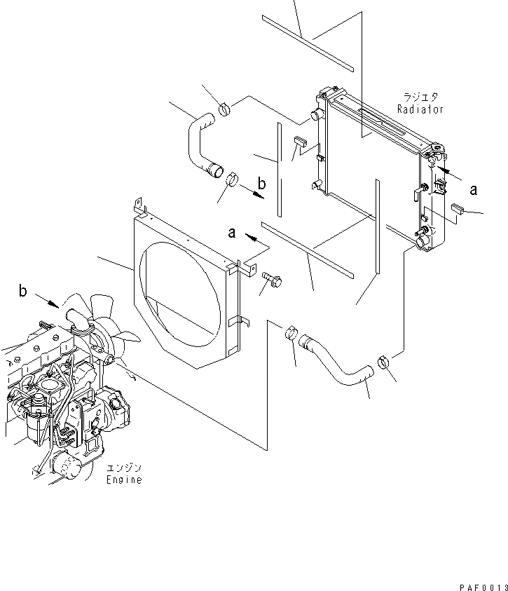
1
2
2
3
3
4
5
5
6
7
8
8
9
9
FIT
1:1
100%

Артикул

Название

Примечание

Количество

1

37B-1CR-3022SA

SHROUD

SN: 630001-UP

1шт.

2

3EB-04-23250

RUBBER

SN: 630001-UP

2шт.

3

3EB-04-32130

RUBBER

SN: 630001-UP

2шт.

4

F1210-40816

BOLT

SN: 630001-UP

2шт.

5

3EB-04-32140

RUBBER

SN: 630001-UP

2шт.

6

3EB-04-32410

HOSE

SN: 630001-UP

1шт.

7

3EB-04-32420

HOSE

SN: 630001-UP

1шт.

8

37B-1FH-3020

CLAMP

SN: 630001-UP

2шт.

9

37B-1FH-3010

CLAMP

SN: 630001-UP

2шт.

Выбрано товаров: 9