Запчасти Komatsu FD10-18-20 РАМА(№-899) РАМА КОМПОНЕНТЫ

Схема запчастей Komatsu FD10-18-20 - РАМА(№-899) РАМА КОМПОНЕНТЫ
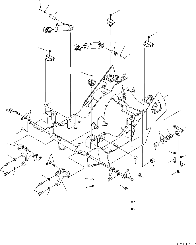
1
2
3
4
5
6
7
7
8
9
10
10
11
11
12
12
13
14
15
15
16
16
17
17
18
18
18
18
19
20
21
21
22
22
22
22
23
23
24
24
25
25
26
26
FIT
1:1
100%

Артикул

Название

Примечание

Количество

1

0

FRAME ASS'Y

SN: 664368-668499

1шт.

|$8

0

FRAME ASS'Y

SN: 656229-664367

1шт.

|$9

0

FRAME ASS'Y

SN: 650001-656228

1шт.

|$10

0

FRAME,STD, TILT METER

SN: 650001-668499

1шт.

2

34B-41-12910

PLUG

SN: 650001-668499

1шт.

3

34B-41-12920

GASKET

SN: 650001-668499

1шт.

4

34B-41-12910

PLUG

SN: 650001-668499

1шт.

5

34B-41-12920

GASKET

SN: 650001-668499

1шт.

6

34A-42-11411

BUSHING

SN: 650001-668499

1шт.

7

3EB-64-13540

BUSHING

SN: 650001-668499

2шт.

8

3EB-41-31791SG

SUPPORT

SN: 650001-668499

1шт.

9

34A-42-11411

BUSHING

SN: 650001-668499

1шт.

10

3EA-71-51860

PIN,TILT

SN: 650001-668499

2шт.

11

01010-81022

BOLT

SN: 650001-668499

2шт.

12

01643-51032

WASHER

SN: 650001-668499

2шт.

13

3EB-41-31950

SHIM

SN: 650001-668499

2шт.

14

3EB-41-31960

SHIM

SN: 650001-668499

2шт.

15

01010-82060

BOLT

SN: 650001-668499

2шт.

16

01643-32060

WASHER

SN: 650001-668499

2шт.

17

07020-00900

FITTING,GREASE

SN: 650001-668499

2шт.

18

01640-21426

WASHER

SN: 650001-668499

4шт.

19

3EA-41-51220

SUPPORT,L.H.

SN: 650001-668499

1шт.

20

3EA-41-51420

SUPPORT,R.H.

SN: 650001-668499

1шт.

21

01010-82070

BOLT

SN: 650001-668499

4шт.

22

01643-32060

WASHER

SN: 650001-668499

4шт.

23

01010-81860

BOLT

SN: 650001-668499

6шт.

24

01643-31845

WASHER

SN: 650001-668499

8шт.

25

01580-11815

NUT

SN: 650001-668499

6шт.

26

01010-81840

BOLT

SN: 650001-668499

2шт.

Выбрано товаров: 29