Запчасти Komatsu FB20M-12 ЭЛЕКТРИКА (ОСНОВН. ЭЛЕКТРОПРОВОДКА) ЭЛЕКТРИКА

Схема запчастей Komatsu FB20M-12 - ЭЛЕКТРИКА (ОСНОВН. ЭЛЕКТРОПРОВОДКА) ЭЛЕКТРИКА
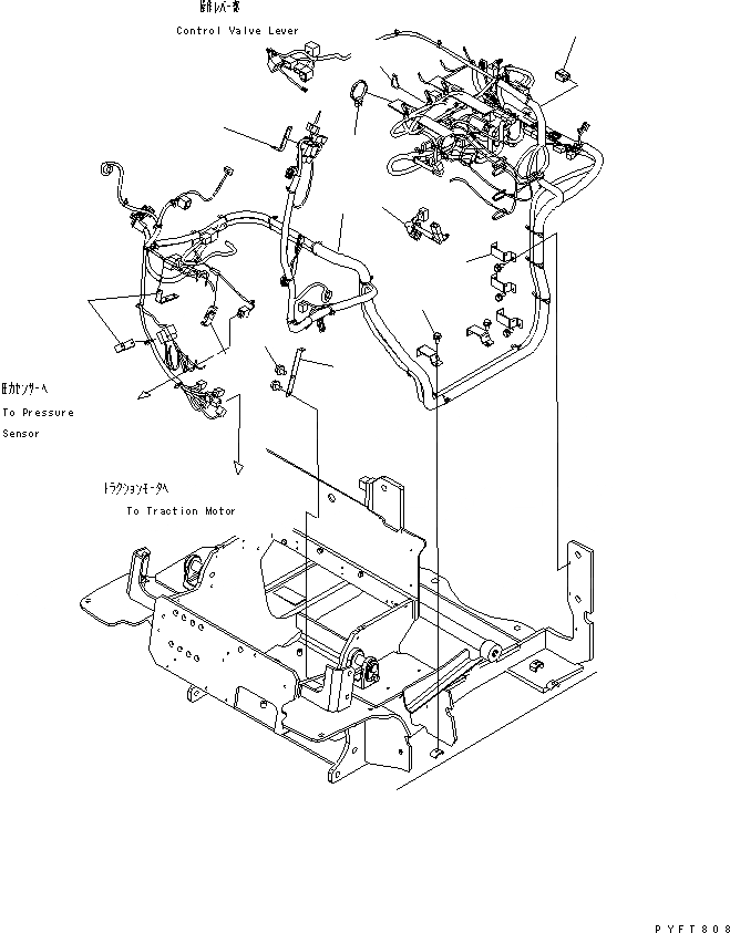
1
2
3
4
5
6
7
8
9
10
11
12
FIT
1:1
100%

Артикул

Название

Примечание

Количество

1

37A-2FH-5015

WIRE HARNESS

SN: 825001-UP

1шт.

2

3BA-55-73521

WIRE HARNESS

SN: 825001-UP

1шт.

3

3BA-55-71330

CLAMP

SN: 825001-UP

5шт.

4

3BA-55-71350

PLATE

SN: 825001-UP

1шт.

5

3BA-55-71371

PLATE

SN: 825001-UP

1шт.

6

01024-80812

BOLT

SN: 825001-UP

2шт.

7

3BA-55-71380

PLATE

SN: 825001-UP

2шт.

8

01024-80816

BOLT

SN: 825001-UP

5шт.

9

3EB-71-38150

CLAMP

SN: 825001-UP

1шт.

10

37B-1EP-4130

LOCK

SN: 825001-UP

1шт.

11

3EA-05-46190

CLAMP

SN: 825001-UP

1шт.

12

3BA-55-73530

WIRE HARNESS

SN: 825001-UP

1шт.

Выбрано товаров: 12