Запчасти Komatsu FB20AHB-12 ЭЛЕКТРИКА (МОТОР КАБЕЛЬ) ЭЛЕКТРИКА

Схема запчастей Komatsu FB20AHB-12 - ЭЛЕКТРИКА (МОТОР КАБЕЛЬ) ЭЛЕКТРИКА
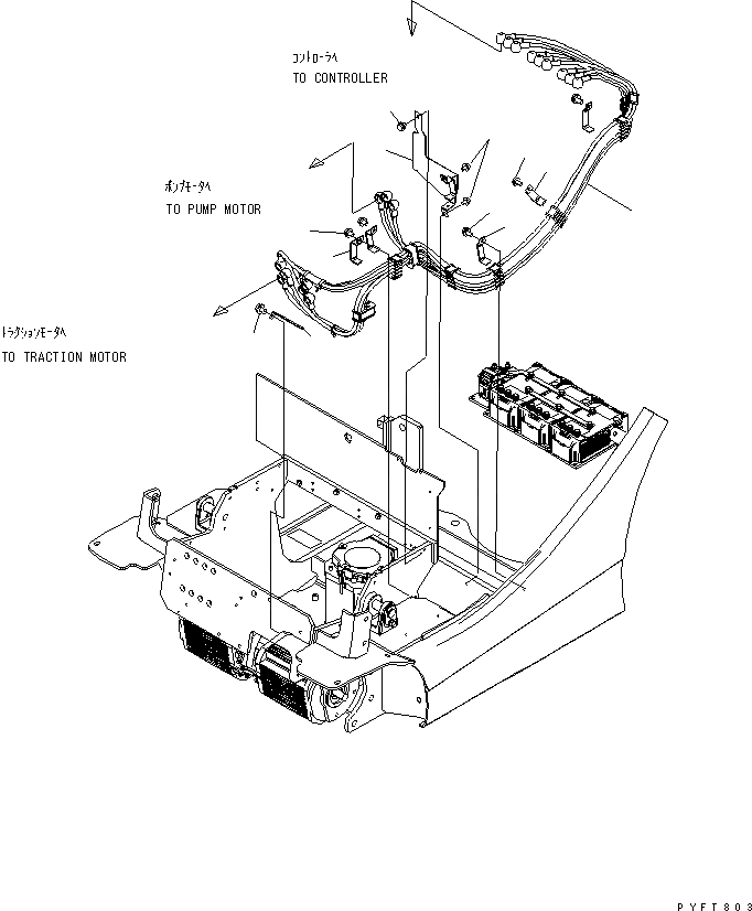
1
2
3
4
4
5
5
5
6
6
7
8
FIT
1:1
100%

Артикул

Название

Примечание

Количество

1

3BA-55-71414

CABLE ASS'Y,MOTOR

SN: 830001-UP

1шт.

|$3

3BA-55-71423

CABLE ASS'Y,RING MARK (DUL/DVL/DWR)

SN: 830001-UP

1шт.

|$5

3BA-55-71433

CABLE ASS'Y,RING MARK (DUR/DVR/DWL)

SN: 830001-UP

1шт.

|$7

3BA-55-71444

CABLE ASS'Y,RING MARK (PU/PV/PW)

SN: 830001-UP

1шт.

|$9

3BA-55-71490

CUSHION

SN: 830001-UP

7шт.

2

3BA-55-71460

CLAMP

SN: 830001-UP

3шт.

3

3BA-55-71470

PLATE

SN: 830001-UP

1шт.

4

3BA-55-71480

CLAMP

SN: 830001-UP

3шт.

5

01024-80812

BOLT

SN: 830001-UP

5шт.

6

01024-80616

BOLT

SN: 830001-UP

3шт.

7

01024-80610

BOLT

SN: 830001-UP

1шт.

8

3BA-55-71452

PLATE

SN: 830001-UP

1шт.

Выбрано товаров: 12