Запчасти Komatsu FD45-8 ГИДРОЛИНИЯ (ЦИЛИНДР ПЕРЕКОСА ЛИНИЯ) ГИДРАВЛИКА

Схема запчастей Komatsu FD45-8 - ГИДРОЛИНИЯ (ЦИЛИНДР ПЕРЕКОСА ЛИНИЯ) ГИДРАВЛИКА
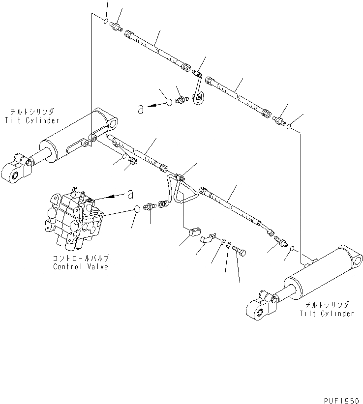
1
2
3
3
4
4
5
5
6
6
7
7
7
7
8
8
9
9
10
11
12
13
14
FIT
1:1
100%

Артикул

Название

Примечание

Количество

1

3EC-66-45310SA

PIPE

SN: 110001-UP

1шт.

2

3EC-66-45320SA

PIPE

SN: 110001-UP

1шт.

3

3ED-66-41190

UNION

SN: 110001-UP

2шт.

4

3BD-66-16130

O-RING

SN: 110001-UP

2шт.

5

3EC-66-35341

HOSE

SN: 110001-UP

2шт.

6

07235-10210

ELBOW

SN: 110001-UP

2шт.

7

07002-11423

O-RING

SN: 110001-UP

4шт.

8

3EC-66-35351

HOSE

SN: 110001-UP

2шт.

9

07230-20210

UNION

SN: 110001-UP

2шт.

10

3EB-66-33170

CLAMP

SN: 110001-UP

1шт.

11

3EB-66-33180

RUBBER

SN: 110001-UP

1шт.

12

01010-80814

BOLT

SN: 110001-UP

1шт.

13

01602-20825

WASHER,SPRING

SN: 110001-UP

1шт.

14

01641-20812

WASHER

SN: 110001-UP

1шт.

Выбрано товаров: 14