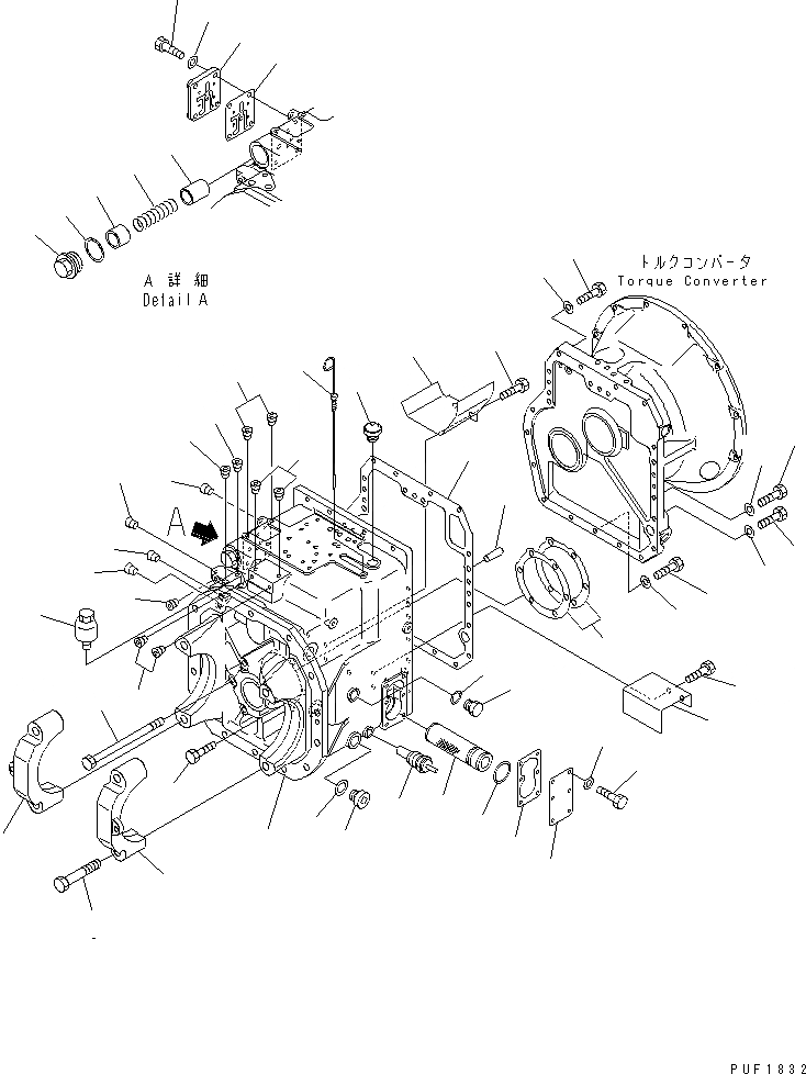
Запчасти Komatsu FD45-7 ГТР ПОТОК ПРИВОД ТРАНСМИССИЯ (КОРПУС) СИЛОВАЯ ПЕРЕДАЧА И ПЕРЕДНИЙ МОСТ

Схема запчастей Komatsu FD45-7 - ГТР ПОТОК ПРИВОД ТРАНСМИССИЯ (КОРПУС) СИЛОВАЯ ПЕРЕДАЧА И ПЕРЕДНИЙ МОСТ
1
2
2
3
4
4
4
4
4
5
6
7
8
9
10
11
12
13
14
15
16
17
18
19
20
21
22
23
24
25
26
27
28
29
30
31
31
31
32
32
33
34
35
36
37
38
39
39
39
40
41
41
41
41
FIT
1:1
100%

Артикул

Название

Примечание

Количество

|$3

3EC-16-31010

CASE ASS'Y

SN: 100001-UP

1шт.

1

0

CASE

SN: 100001-UP

1шт.

2

0

CAP

SN: 100001-UP

2шт.

3

3EC-21-11181

BOLT

SN: 100001-UP

4шт.

4

07043-70108

PLUG

SN: 100001-UP

8шт.

5

07030-00252

BREATHER

SN: 100001-UP

1шт.

6

3EB-21-15211

CAP

SN: 100001-UP

1шт.

7

3EC-15-11150

GAUGE

SN: 100001-UP

1шт.

8

34B-41-12910

PLUG

SN: 100001-UP

1шт.

9

34B-41-12920

GASKET (K5)

SN: 100001-UP

1шт.

10

307-06-16340

SENDING UNIT

SN: 100001-UP

1шт.

11

3EB-15-31230

PLATE

SN: 100001-UP

1шт.

12

3EB-15-31241

GASKET (K5)

SN: 100001-UP

1шт.

13

01010-80820

BOLT

SN: 100001-UP

6шт.

14

01643-50823

WASHER

SN: 100001-UP

6шт.

|$19

3EA-15-11600

FILTER ASS'Y

SN: 100001-UP

1шт.

15

3EA-15-11610

FILTER

SN: 100001-UP

1шт.

16

07000-03038

O-RING (K5)

SN: 100001-UP

1шт.

17

3EC-15-31170

PLATE

SN: 100001-UP

1шт.

18

01010-81016

BOLT

SN: 100001-UP

2шт.

19

04020-01228

PIN,DOWEL

SN: 100001-UP

2шт.

20

304-15-17180

PLUG

SN: 100001-UP

1шт.

21

07005-02216

GASKET (K5)

SN: 100001-UP

1шт.

22

3EC-15-31620

PISTON

SN: 100001-UP

1шт.

23

3EC-15-31610

SPRING

SN: 100001-UP

1шт.

24

3EC-15-31630

PLUG

SN: 100001-UP

1шт.

25

07003-04248

GASKET (K5)

SN: 100001-UP

1шт.

26

3EC-15-31640

COLLAR

SN: 100001-UP

1шт.

27

3EC-15-31120

GASKET (K5)

SN: 100001-UP

1шт.

28

3EC-15-11540

BOLT

SN: 100001-UP

3шт.

29

3EC-15-11550

BOLT

SN: 100001-UP

3шт.

30

3EC-14-00030

SHIM ASS'Y

SN: 100001-UP

1шт.

|$36

0

SHIM, 0.2MM

SN: 100001-UP

2шт.

|$37

0

SHIM, 0.3MM

SN: 100001-UP

2шт.

|$38

0

SHIM, 0.5MM

SN: 100001-UP

2шт.

31

07043-70108

PLUG

SN: 100001-UP

3шт.

32

07043-70211

PLUG

SN: 100001-UP

2шт.

33

3EC-16-31630

PLATE

SN: 100001-UP

1шт.

34

01010-81016

BOLT

SN: 100001-UP

2шт.

35

3EC-16-38210

SEAT

SN: 100001-UP

1шт.

36

3EC-16-38220

GASKET (K5)

SN: 100001-UP

1шт.

37

01010-80830

BOLT

SN: 100001-UP

4шт.

38

01643-50823

WASHER

SN: 100001-UP

4шт.

39

01010-81050

BOLT

SN: 100001-UP

5шт.

40

01010-81035

BOLT

SN: 100001-UP

14шт.

41

01643-51032

WASHER

SN: 100001-UP

19шт.

Выбрано товаров: 46