Запчасти Komatsu FD45-10 ВОЗДУХООЧИСТИТЕЛЬ С RAIN КРЫШКА¤ НАРУЖН. ФИТТИНГ ТИП КОМПОНЕНТЫ ДВИГАТЕЛЯ

Схема запчастей Komatsu FD45-10 - ВОЗДУХООЧИСТИТЕЛЬ С RAIN КРЫШКА¤ НАРУЖН. ФИТТИНГ ТИП КОМПОНЕНТЫ ДВИГАТЕЛЯ
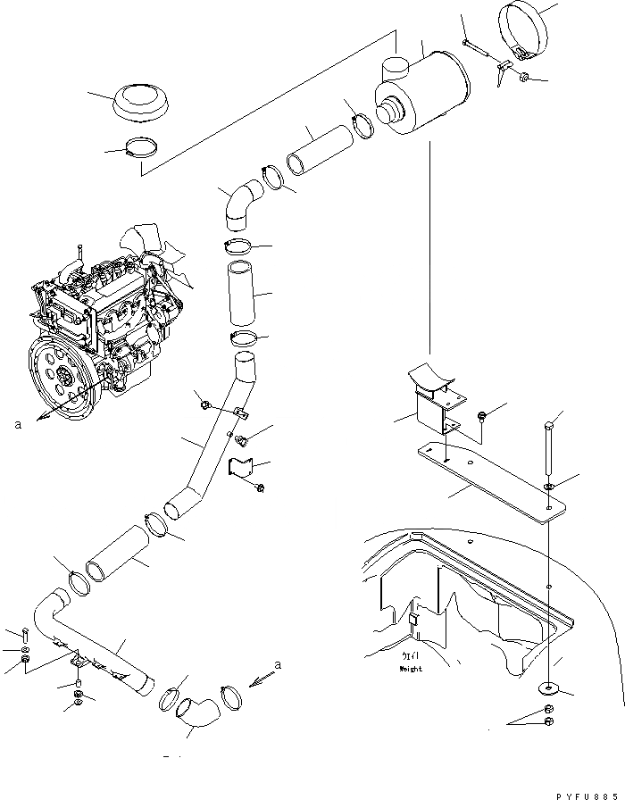
1
2
3
4
5
6
7
8
9
10
11
12
12
12
12
12
12
12
12
13
14
15
16
16
17
18
19
20
21
22
23
24
25
26
26
27
28
29
30
FIT
1:1
100%

Артикул

Название

Примечание

Количество

1

01010-81255

BOLT

SN: 133001-UP

1шт.

2

01016-50880

BOLT

SN: 133001-UP

1шт.

3

01435-00610

BOLT

SN: 133001-UP

2шт.

4

01435-00816

BOLT

SN: 133001-UP

2шт.

5

01435-01016

BOLT

SN: 133001-UP

2шт.

6

01580-10806

NUT

SN: 133001-UP

1шт.

7

01580-12016

NUT

SN: 133001-UP

4шт.

8

01640-22032

WASHER

SN: 133001-UP

2шт.

9

07260-07425

HOSE

SN: 133001-UP

1шт.

10

07260-07428

HOSE

SN: 133001-UP

1шт.

11

07260-07428

HOSE,(FOR COMPACT TYPE AND 3.5 TON)

SN: 133001-UP

1шт.

|$13

07260-07436

HOSE,(FOR 4.0 TON - 5.0 TON)

SN: 133001-UP

1шт.

12

07281-01029

CLAMP

SN: 133001-UP

8шт.

13

07281-01159

CLAMP

SN: 133001-UP

1шт.

14

3EB-05-13330

WASHER

SN: 133001-UP

2шт.

15

3EB-05-48670

BOLT

SN: 133001-UP

2шт.

16

3EB-50-25120

WASHER

SN: 133001-UP

2шт.

17

3EB-55-51140

CLAMP

SN: 133001-UP

1шт.

18

3EC-02-43430UA

PIPE

SN: 133001-UP

1шт.

19

3EC-02-43440NK

BRACKET

SN: 133001-UP

1шт.

20

3EC-02-52520

DUCT

SN: 133001-UP

1шт.

21

3EC-02-52530

HOSE

SN: 133001-UP

1шт.

22

3EC-02-53130UA

PIPE

SN: 133001-UP

1шт.

23

3EC-02-53160NK

BRACKET

SN: 133001-UP

1шт.

24

3EC-02-53170SG

BRACKET

SN: 133001-UP

1шт.

25

3EC-02-53520

PIPE

SN: 133001-UP

1шт.

26

3EC-03-31120

RUBBER

SN: 133001-UP

2шт.

27

3EE-02-22630

CAP ASS'Y

SN: 133001-UP

1шт.

28

3FD-02-13560

BAND

SN: 133001-UP

1шт.

29

3FD-02-19510

AIR CLEANER ASS'Y

SN: 133001-UP

1шт.

30

3SB-02-14130

BAR

SN: 133001-UP

2шт.

Выбрано товаров: 31