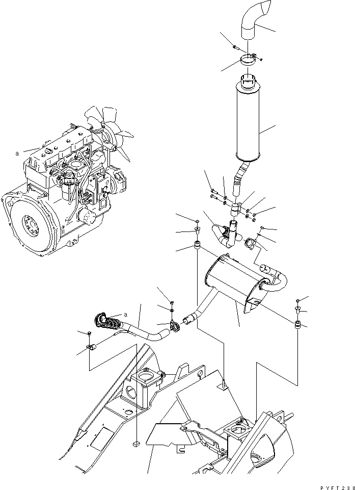
Запчасти Komatsu FD35A-16 ГЛУШИТЕЛЬ И ОТВОД ВЫХЛОПН. ГАЗОВ (ВЕРХН. ВЫПУСКН.)(№7-799) ВЫПУСКН. ЧАСТИ

Схема запчастей Komatsu FD35A-16 - ГЛУШИТЕЛЬ И ОТВОД ВЫХЛОПН. ГАЗОВ (ВЕРХН. ВЫПУСКН.)(№7-799) ВЫПУСКН. ЧАСТИ
1
2
2
3
3
4
4
5
6
7
8
9
10
11
12
13
14
15
16
17
17
18
19
20
21
22
FIT
1:1
100%

Артикул

Название

Примечание

Количество

1

3EB-03-53111

MUFFLER

SN: 732069-744499

1шт.

|$3

0

MUFFLER

SN: 700001-732068

1шт.

2

3EB-03-51131

COLLAR

SN: 700001-744499

2шт.

3

01596-01009

NUT

SN: 700001-744499

2шт.

4

3EB-03-41120

RUBBER

SN: 700001-744499

2шт.

5

3EB-03-52120

PIPE

SN: 700001-744499

1шт.

6

3EB-03-31530

CLAMP

SN: 700001-744499

1шт.

7

01643-31032

WASHER

SN: 700001-744499

1шт.

8

01582-11008

NUT

SN: 700001-744499

1шт.

9

3EB-03-51170

BRACKET

SN: 700001-744499

1шт.

10

01024-80820

BOLT

SN: 700001-744499

1шт.

11

3EB-03-53120

PIPE,(FOR 2.0-3.0T)

SN: 700001-744499

1шт.

|$14

3EB-03-54610

PIPE,(FOR 3.5T)

SN: 700001-744499

1шт.

12

3EB-03-31530

CLAMP

SN: 700001-744499

1шт.

13

01643-31032

WASHER

SN: 700001-744499

1шт.

14

01582-11008

NUT

SN: 700001-744499

1шт.

15

3EA-03-37610

CLAMP ASS'Y

SN: 700001-744499

1шт.

16

01010-81035

BOLT

SN: 700001-744499

2шт.

17

01643-31032

WASHER

SN: 700001-744499

4шт.

18

01580-11008

NUT

SN: 700001-744499

2шт.

19

3EB-03-53131

PIPE

SN: 721389-744499

1шт.

|$23

0

PIPE

SN: 700001-721388

1шт.

20

3EB-03-53140

PIPE

SN: 700001-744499

1шт.

21

3EE-03-23160

CLAMP

SN: 700001-744499

1шт.

22

01024-80830

BOLT

SN: 702616-744499

1шт.

|$27

01024-80835

BOLT

SN: 700001-702615

1шт.

Выбрано товаров: 26