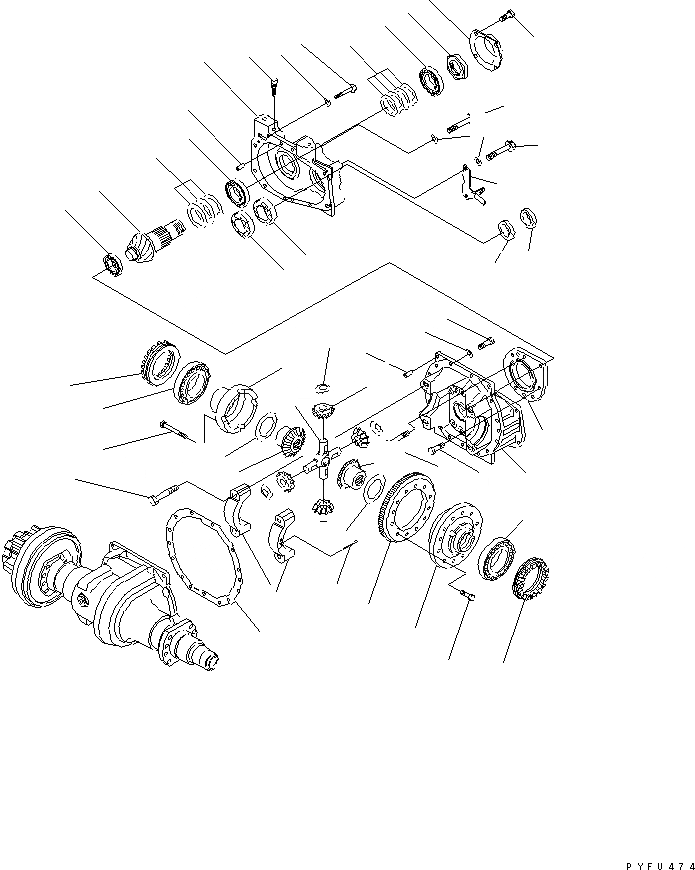
Запчасти Komatsu FD30N-16 ПРИВОД МОСТ (ДИФФЕРЕНЦ. ПРИВОД) (/) (С SPEED METER)(№7-) СИЛОВАЯ ПЕРЕДАЧА И ПЕРЕДНИЙ МОСТ

Схема запчастей Komatsu FD30N-16 - ПРИВОД МОСТ (ДИФФЕРЕНЦ. ПРИВОД) (/) (С SPEED METER)(№7-) СИЛОВАЯ ПЕРЕДАЧА И ПЕРЕДНИЙ МОСТ
1
2
3
4
5
6
7
8
9
10
10
11
12
13
14
15
16
17
18
19
20
21
22
23
24
25
26
27
28
29
29
30
30
31
32
33
34
35
36
37
37
38
39
39
40
41
42
43
44
FIT
1:1
100%

Артикул

Название

Примечание

Количество

|$13

3EB-21-51532

CARRIER ASS'Y,PILOT

SN: 744500-UP

1шт.

1

0

CARRIER,PILOT

SN: 744500-UP

1шт.

2

0

CAP

SN: 744500-UP

2шт.

3

3EB-21-11190

BOLT

SN: 744500-UP

4шт.

4

3EB-21-51551

CAGE,PINION

SN: 744500-UP

1шт.

5

01010-81235

BOLT

SN: 744500-UP

3шт.

6

01010-81290

BOLT

SN: 744500-UP

5шт.

7

3EB-21-53110

CASE,TRANSFER

SN: 744500-UP

1шт.

8

01024-81050

BOLT

SN: 744500-UP

2шт.

9

01010-81070

BOLT

SN: 744500-UP

6шт.

10

01643-31032

WASHER

SN: 744500-UP

8шт.

11

04020-01228

PIN

SN: 744500-UP

2шт.

12

3EB-21-53140

SEAL,DUST (K3)

SN: 744500-UP

1шт.

13

07012-00040

SEAL (K3)

SN: 744500-UP

1шт.

14

3EB-21-53180

BEARING,TMB210

SN: 744500-UP

1шт.

15

3EB-21-53170

BEARING,NUT

SN: 744500-UP

1шт.

16

3EB-21-53150

NUT

SN: 744500-UP

1шт.

17

3EB-21-53161

COVER

SN: 744500-UP

1шт.

18

01010-80812

BOLT

SN: 744500-UP

4шт.

19

3EB-21-51720

BEARING,30310DST/45PX11

SN: 744500-UP

1шт.

20

3EB-21-51710

BEARING,30309DST/40PX5

SN: 744500-UP

1шт.

21

3EB-15-00030

SHIM ASS'Y

SN: 744500-UP

1шт.

|$37

0

SHIM, 0.2MM

SN: 744500-UP

-2шт.

|$38

0

SHIM, 0.3MM

SN: 744500-UP

-2шт.

|$39

0

SHIM, 0.5MM

SN: 744500-UP

-2шт.

22

3EB-21-00050

SHIM ASS'Y

SN: 744500-UP

1шт.

|$41

0

SHIM, 0.23MM

SN: 744500-UP

-2шт.

|$42

0

SHIM, 0.30MM

SN: 744500-UP

-2шт.

|$43

0

SHIM, 0.40MM

SN: 744500-UP

-2шт.

|$44

0

SHIM, 0.50MM

SN: 744500-UP

-2шт.

23

01024-81075

BOLT

SN: 744500-UP

2шт.

24

3EB-21-54240

PLATE

SN: 744500-UP

1шт.

|$47

3EB-21-51110

DIFFERENTIAL ASS'Y

SN: 744500-UP

1шт.

|$48

3EB-21-51120

CASE ASS'Y

SN: 744500-UP

1шт.

25

0

CASE,FLANGE

SN: 744500-UP

1шт.

26

0

CASE

SN: 744500-UP

1шт.

27

3EB-21-51190

BOLT

SN: 744500-UP

16шт.

28

3EB-21-11160

SPIDER

SN: 744500-UP

1шт.

29

3EB-21-31141

GEAR

SN: 744500-UP

2шт.

30

34B-21-12141

BUSHING

SN: 744500-UP

2шт.

31

3EB-21-11340

GEAR

SN: 744500-UP

4шт.

32

3EB-21-11370

BUSHING

SN: 744500-UP

4шт.

|$57

3EB-21-51510

GEAR ASS'Y,HYPOID

SN: 744500-UP

1шт.

33

0

GEAR

SN: 744500-UP

1шт.

34

0

SHAFT,PINION

SN: 744500-UP

1шт.

35

3EB-21-11230

BOLT

SN: 744500-UP

12шт.

36

3EB-14-11451

BEARING

SN: 744500-UP

1шт.

37

3EB-21-51170

SCREW

SN: 744500-UP

2шт.

38

04050-18050

PIN,COTTER

SN: 744500-UP

2шт.

39

14X-14-19241

BEARING

SN: 744500-UP

2шт.

40

3EB-21-52140

GASKET (K3)

SN: 744500-UP

1шт.

41

01010-81235

BOLT

SN: 744500-UP

13шт.

42

01643-51232

WASHER

SN: 744500-UP

13шт.

43

04020-01228

PIN

SN: 744500-UP

2шт.

44

07030-01030

BREATHER

SN: 744500-UP

1шт.

|$$56

SERVICE KIT

-1шт.

K3

3EB-21-05500

SEAL KIT,DIFFERENTIAL GEAR

SN: 744500-UP

1шт.

Выбрано товаров: 57