Запчасти Komatsu FD30J-14 ПРЯМОЙ ПРИВОД ТРАНСМИССИЯ (/) СИЛОВАЯ ПЕРЕДАЧА И ПЕРЕДНИЙ МОСТ

Схема запчастей Komatsu FD30J-14 - ПРЯМОЙ ПРИВОД ТРАНСМИССИЯ (/) СИЛОВАЯ ПЕРЕДАЧА И ПЕРЕДНИЙ МОСТ
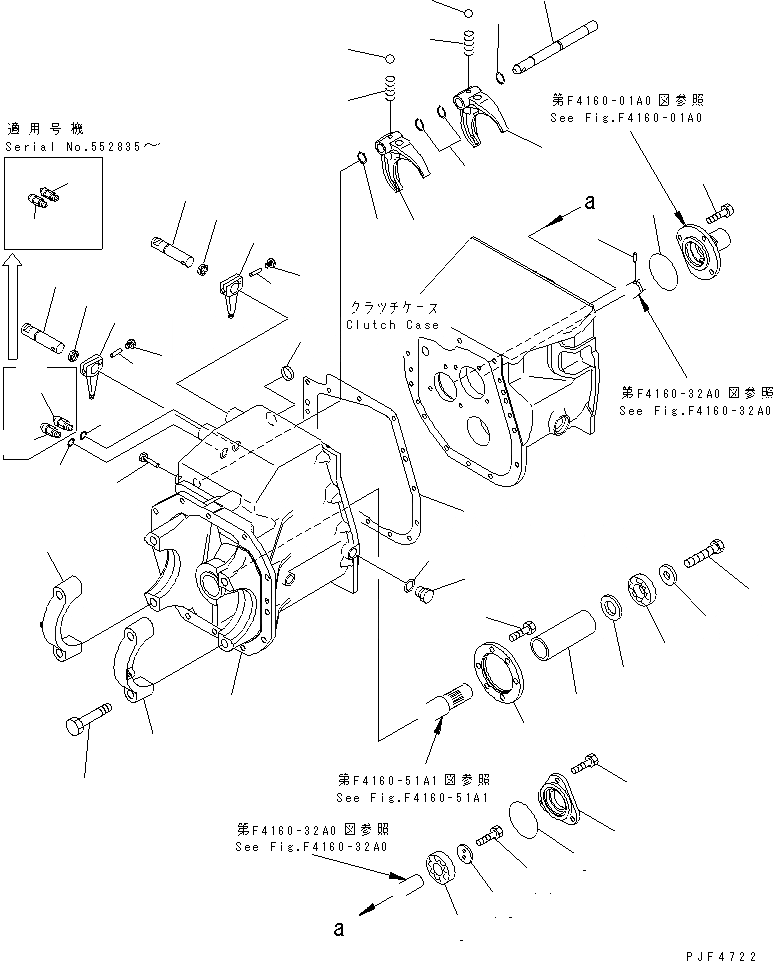
1
2
2
3
4
5
6
6
7
7
8
9
10
11
12
13
14
15
16
17
18
19
20
21
22
22
23
23
24
24
25
25
26
27
27
28
29
30
31
31
31
32
32
32
33
33
34
34
35
35
36
FIT
1:1
100%

Артикул

Название

Примечание

Количество

|$10

3EB-14-31113

CASE ASS'Y

SN: 550001-UP

1шт.

1

0

CASE

SN: 550001-UP

1шт.

2

0

CAP

SN: 550001-UP

2шт.

3

3EB-21-11190

BOLT

SN: 550001-UP

4шт.

4

3EB-14-31130

GASKET (K2,3)

SN: 550001-UP

1шт.

5

3EB-14-31190

CAGE

SN: 550001-UP

1шт.

6

07000-02085

O-RING (K2,3)

SN: 550001-UP

2шт.

7

01010-81025

BOLT

SN: 550001-UP

6шт.

8

3EA-14-11452

PIN

SN: 550001-UP

1шт.

9

3EB-14-31451

BEARING

SN: 550001-UP

1шт.

10

3EB-15-21450

HOLDER

SN: 550001-UP

1шт.

11

01010-80820

BOLT

SN: 550001-UP

2шт.

12

3EB-14-31350

CAGE

SN: 550001-UP

1шт.

13

01010-81230

BOLT

SN: 550001-UP

6шт.

14

3EB-14-31360

SPACER

SN: 550001-UP

1шт.

15

3EB-14-31370

COLLAR

SN: 550001-UP

1шт.

16

3EB-14-31380

WASHER

SN: 550001-UP

1шт.

17

06000-06207

BEARING

SN: 550001-UP

1шт.

18

01050-51890

BOLT

SN: 550001-UP

1шт.

19

304-15-17180

PLUG

SN: 550001-UP

1шт.

20

07005-02216

GASKET (K2,3)

SN: 550001-UP

1шт.

21

3EB-14-11180

SEAL (K2,3)

SN: 550001-UP

1шт.

22

3EB-14-31431

SHAFT

SN: 550001-UP

2шт.

23

3EB-14-31141

LEVER

SN: 550001-UP

2шт.

24

3EB-14-31490

PIN

SN: 550001-UP

2шт.

25

3ED-15-41610

PLUG

SN: 550001-UP

2шт.

26

3EA-14-11440

BOLT

SN: 550001-UP

1шт.

|$37

3EA-14-11440

BOLT

SN: 550001-UP

3шт.

27

3EA-14-11390

SEAL (K2,3)

SN: 550001-UP

2шт.

28

3EB-14-31151

YOKE,FORWARD AND REVERSE

SN: 550001-UP

1шт.

29

3EB-14-31411

SHAFT

SN: 550001-UP

1шт.

30

3EB-14-31160

YOKE,HIGH AND LOW

SN: 550001-UP

1шт.

31

04064-02212

RING

SN: 550001-UP

4шт.

32

3EB-14-31520

SWITCH

SN: 552835-UP

1шт.

|$44

3EB-14-31520

SWITCH

SN: 550001-552834

2шт.

33

07005-01612

GASKET (K2,3)

SN: 550001-UP

2шт.

34

3EA-14-11460

SPRING

SN: 550001-UP

2шт.

35

04260-00952

BALL,STEEL

SN: 550001-UP

2шт.

36

3EB-14-31720

SWITCH

SN: 552835-UP

1шт.

|$$40

SERVICE KIT

-1шт.

K2

3EB-14-05071

SEAL KIT,CLUTCH MISSION

SN: 550001-UP

1шт.

K3

3EB-14-05061

SEAL KIT,CLUTCH MISSION

SN: 550001-UP

1шт.

Выбрано товаров: 42