Запчасти Komatsu FG10-15-17 ГТР ПОТОК ТРАНСМИССИЯ (/) (КОРПУС И COVER) СИЛОВАЯ ПЕРЕДАЧА И ПЕРЕДНИЙ МОСТ

Схема запчастей Komatsu FG10-15-17 - ГТР ПОТОК ТРАНСМИССИЯ (/) (КОРПУС И COVER) СИЛОВАЯ ПЕРЕДАЧА И ПЕРЕДНИЙ МОСТ
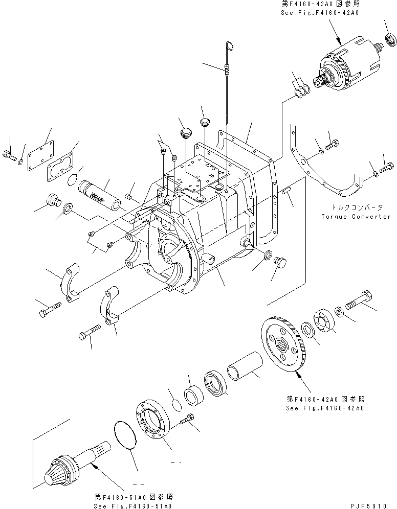
1
2
2
3
3
4
5
5
5
6
7
8
9
10
11
12
13
14
15
16
17
18
19
20
21
22
23
24
25
26
27
28
28
29
30
31
32
33
34
35
FIT
1:1
100%

Артикул

Название

Примечание

Количество

|$5

3EA-15-31113

CASE ASS'Y

SN: 630001-UP

1шт.

1

0

CASE

SN: 630001-UP

1шт.

2

0

CAP

SN: 630001-UP

2шт.

3

3EA-21-12220

BOLT

SN: 630001-UP

4шт.

4

3EB-15-31172

GASKET (K5)

SN: 630001-UP

1шт.

5

07043-70108

PLUG

SN: 630001-UP

8шт.

6

3EB-15-31180

GAUGE

SN: 630001-UP

1шт.

7

3EB-21-15211

CAP

SN: 630001-UP

1шт.

8

3EB-15-31270

CAP

SN: 630001-UP

1шт.

9

3EB-41-31221

PLUG

SN: 633093-UP

1шт.

|$15

0

PLUG

SN: 630001-633092

1шт.

10

34B-41-12920

GASKET (K5)

SN: 630001-UP

1шт.

|$17

3EA-15-11600

FILTER ASS'Y

SN: 630001-UP

1шт.

11

3EA-15-11610

FILTER

SN: 630001-UP

1шт.

12

07000-03038

O-RING (K5)

SN: 630001-UP

1шт.

13

3EB-15-31251

SPACER

SN: 630001-UP

1шт.

14

3EB-15-11380

SEAL (K5)

SN: 630001-UP

3шт.

15

3EB-14-31380

WASHER

SN: 630001-UP

1шт.

16

01050-81890

BOLT

SN: 630001-UP

1шт.

17

07000-A3040

O-RING (K5)

SN: 630001-UP

1шт.

18

3EA-15-21530

RACE

SN: 630001-UP

1шт.

19

07013-10062

SEAL (K5)

SN: 630001-UP

1шт.

20

3EA-15-31160

CAGE

SN: 630001-UP

1шт.

21

01010-80840

BOLT

SN: 630001-UP

9шт.

22

07000-72090

O-RING (K5)

SN: 630001-UP

1шт.

23

3EA-15-31260

SPACER

SN: 630001-UP

1шт.

24

3EB-14-31370

COLLAR

SN: 630001-UP

1шт.

25

06000-06207

BEARING

SN: 630001-UP

1шт.

26

01010-81060

BOLT

SN: 630001-UP

1шт.

27

01010-81035

BOLT

SN: 630001-UP

15шт.

28

01602-21030

WASHER,SPRING

SN: 630001-UP

16шт.

29

04020-01228

PIN,DOWEL

SN: 630001-UP

2шт.

30

304-15-17180

PLUG

SN: 630001-UP

1шт.

31

07005-02216

GASKET (K5)

SN: 630001-UP

1шт.

32

3EB-15-31230

PLATE

SN: 630001-UP

1шт.

33

3EB-15-31241

GASKET (K5)

SN: 630001-UP

1шт.

34

01010-80820

BOLT

SN: 630001-UP

6шт.

35

01602-20825

WASHER,SPRING

SN: 630001-UP

6шт.

|$$39

SERVICE KIT

-1шт.

K5

3EA-15-05031

SEAL KIT,TORQUEFLOW TRANSMISSION

SN: 630001-UP

1шт.

Выбрано товаров: 40