Качественные детали и логистика
Оригинальные и аналоговые запчасти с доставкой по России, Казахстану и Беларуси
©2022 PartSell ООО "Система" ИНН 2463123282 ОГРН 1212400004838
Центральный офис: г. Красноярск, Академика Киренского, д.87, пом.4
Телефон: 8 (800) 777-65-74 Email: zakaz@partsell.ru
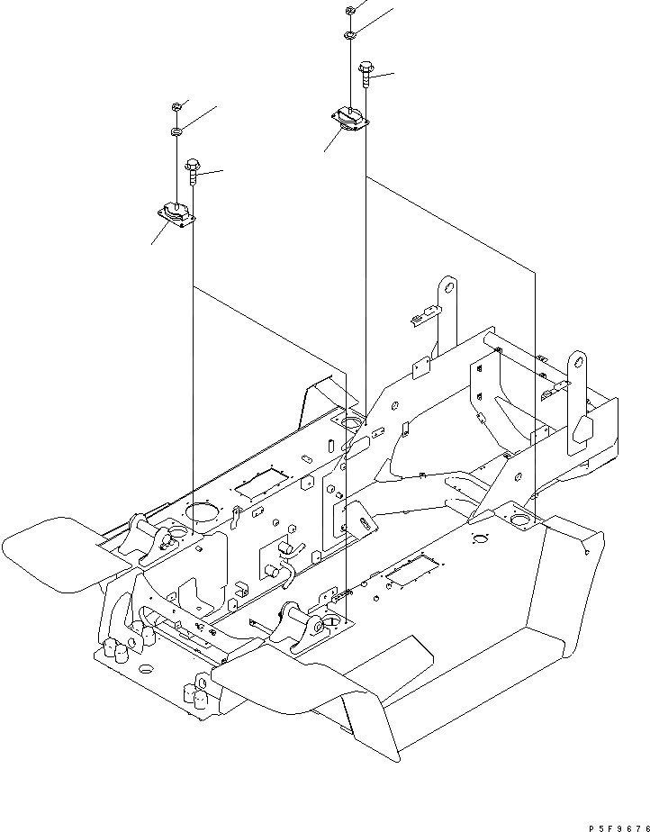
ВЕРХН. ЗАЩИТА ЭЛЕМЕНТЫ КРЕПЛЕНИЯ
№
Артикул
Название
Примечание
Количество
1
3EA-51-32110
CUSHION
SN: 55001-UP
2шт.
2
3EB-51-32130
3
01024-81020
BOLT
16шт.
4
01583-11408
NUT
4шт.
5
01643-31445
WASHER
Выбрано товаров: 0