Запчасти Komatsu FD160E-7 ВОЗДУХООЧИСТИТЕЛЬ С ПРЕФИЛЬТР И RAIN КРЫШКА¤НАРУЖН. FITTEING ТИП КОМПОНЕНТЫ ДВИГАТЕЛЯ

Схема запчастей Komatsu FD160E-7 - ВОЗДУХООЧИСТИТЕЛЬ С ПРЕФИЛЬТР И RAIN КРЫШКА¤НАРУЖН. FITTEING ТИП КОМПОНЕНТЫ ДВИГАТЕЛЯ
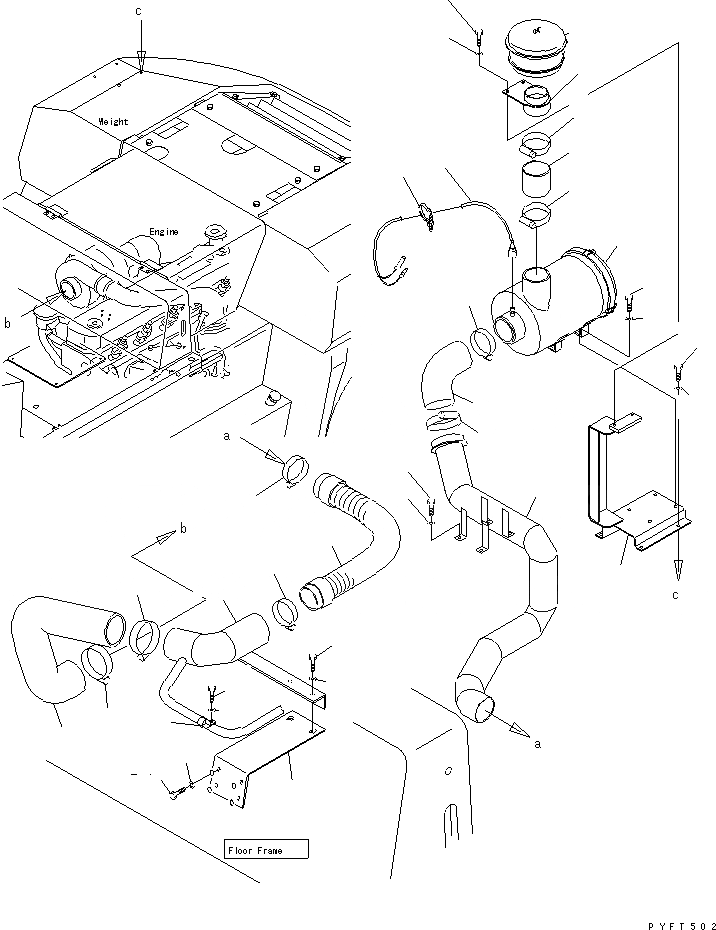
1
2
3
4
5
6
6
7
8
9
10
11
12
13
14
14
15
16
17
18
19
19
20
21
22
23
24
25
26
27
27
28
29
30
31
32
FIT
1:1
100%

Артикул

Название

Примечание

Количество

1

45E-02-11310

PRE-CLEANER

SN: 6001-UP

1шт.

|$3

3EE-02-22630

CAP ASS'Y,RAIN

SN: 6001-UP

1шт.

2

3FE-02-36190YY

BRACKET

SN: 6001-UP

1шт.

3

01010-81016

BOLT

SN: 6001-UP

2шт.

4

01643-31032

WASHER

SN: 6001-UP

2шт.

5

3FE-02-36180

HOSE

SN: 6001-UP

1шт.

6

07281-01279

CLAMP

SN: 6001-UP

2шт.

7

3FE-02-36110

AIR CLEANER ASS'Y

SN: 6001-UP

1шт.

8

01010-81020

BOLT

SN: 6001-UP

4шт.

9

01643-31032

WASHER

SN: 6001-UP

4шт.

10

3FE-02-36160YY

BRACKET

SN: 6001-UP

1шт.

11

01010-81025

BOLT

SN: 6001-UP

4шт.

12

01643-31032

WASHER

SN: 6001-UP

4шт.

13

3FD-02-26650

HOSE

SN: 6001-UP

1шт.

14

07281-01159

CLAMP

SN: 6001-UP

2шт.

15

3FE-02-36130YY

PIPE

SN: 6001-UP

1шт.

16

01010-81025

BOLT

SN: 6001-UP

4шт.

17

01643-31032

WASHER

SN: 6001-UP

4шт.

18

3FE-02-36170

HOSE

SN: 6001-UP

1шт.

19

07281-00909

CLAMP

SN: 6001-UP

2шт.

20

3FE-02-36140SA

PIPE

SN: 6001-UP

1шт.

21

01010-81020

BOLT

SN: 6001-UP

2шт.

22

01643-31032

WASHER

SN: 6001-UP

2шт.

23

3FE-02-36150SA

PIPE

SN: 6001-UP

1шт.

24

01010-80820

BOLT

SN: 6001-UP

4шт.

25

01643-30823

WASHER

SN: 6001-UP

4шт.

26

3FE-02-15180

HOSE

SN: 6001-UP

1шт.

27

07281-00909

CLAMP

SN: 6001-UP

2шт.

28

04434-53211

CLIP

SN: 6001-UP

2шт.

29

01050-51016

BOLT

SN: 6001-UP

2шт.

30

01643-31032

WASHER

SN: 6001-UP

2шт.

31

3FE-02-36250

HARNESS

SN: 6001-UP

1шт.

32

330-07-19910

TIEWRAP

SN: 6001-UP

3шт.

Выбрано товаров: 0