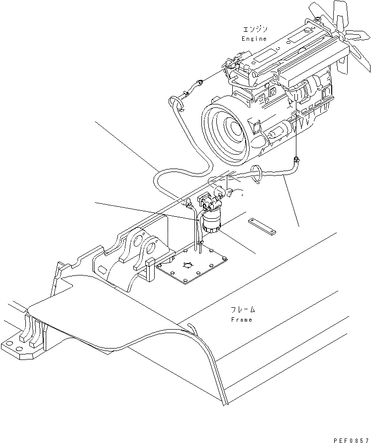
Запчасти Komatsu FD160E-6 ТОПЛИВН. ШЛАНГИ И ВОДН. СЕПАРАТОР КАТАЛОГИ ЗЧ

Схема запчастей Komatsu FD160E-6 - ТОПЛИВН. ШЛАНГИ И ВОДН. СЕПАРАТОР КАТАЛОГИ ЗЧ
1
2
3
4
FIT
1:1
100%

Артикул

Название

Примечание

Количество

1

37B-1FA-1270

HOSE

SN: 5001-UP

1шт.

|$1

07280-01920

CLAMP

SN: 5001-UP

2шт.

2

3FE-02-13160

FILTER ASS'Y,WATER SEPARATOR

SN: 5001-UP

1шт.

3

37B-1FA-1300

HOSE

SN: 5001-UP

1шт.

|$4

07280-01920

CLAMP

SN: 5001-UP

2шт.

4

37B-1FA-1070

HOSE

SN: 5001-UP

1шт.

|$6

07280-01920

CLAMP

SN: 5001-UP

2шт.

Выбрано товаров: 7