Запчасти Komatsu FD135-7 ПЕРЕДН. ASSIST ОСВЕЩЕНИЕ ЭЛЕКТРИКА

Схема запчастей Komatsu FD135-7 - ПЕРЕДН. ASSIST ОСВЕЩЕНИЕ ЭЛЕКТРИКА
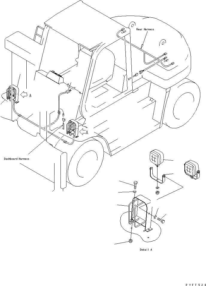
1
1
1
2
3
4
5
6
7
8
9
10
FIT
1:1
100%

Артикул

Название

Примечание

Количество

1

3FE-56-13360YS

BRACKET

SN: 6001-UP

2шт.

2

01010-81025

BOLT

SN: 6001-UP

4шт.

3

01580-11008

NUT

SN: 6001-UP

4шт.

4

01602-21030

WASHER

SN: 6001-UP

4шт.

5

3ED-56-32410

LAMP

SN: 6001-UP

2шт.

6

3FE-55-31210

WIRE HARNESS

SN: 6001-UP

1шт.

7

08061-40021

SWITCH

SN: 6001-UP

1шт.

8

3EF-55-14310YS

BRACKET

SN: 6001-UP

2шт.

9

01010-81020

BOLT

SN: 6001-UP

4шт.

10

01602-21030

WASHER

SN: 6001-UP

4шт.

Выбрано товаров: 10