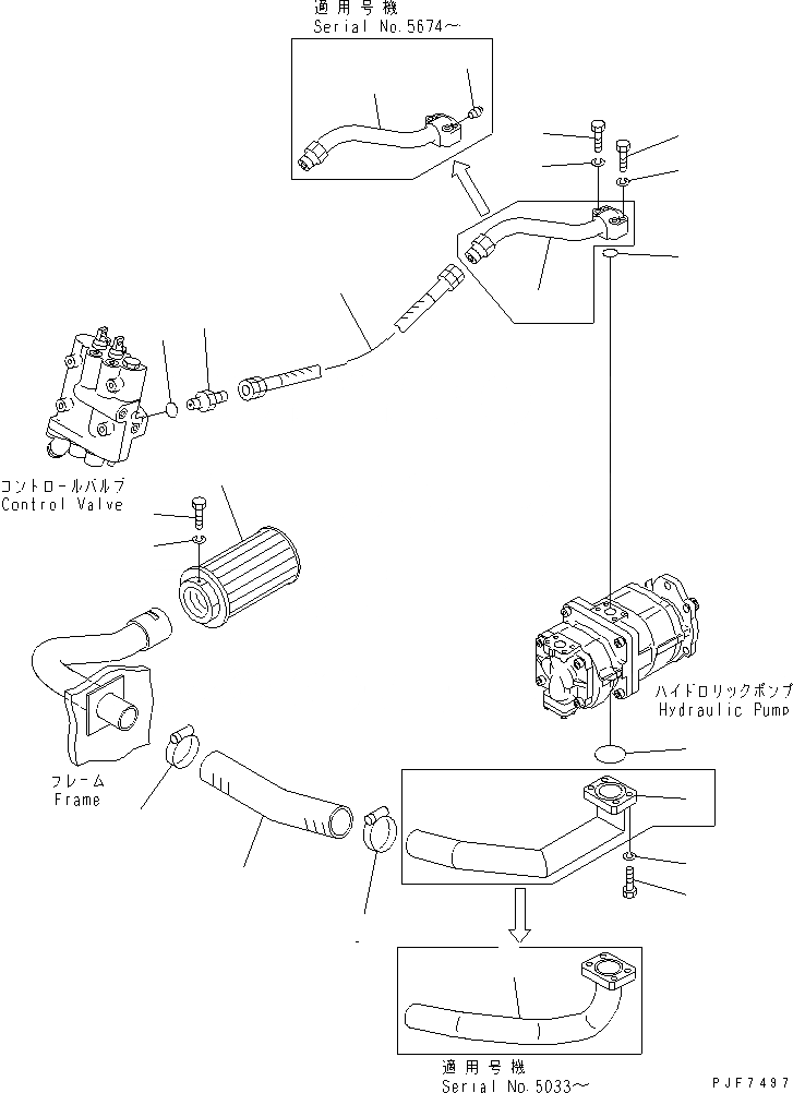
Запчасти Komatsu FD115-6 ГИДРОЛИНИЯ (БАК - ГИДР. НАСОС. - УПРАВЛЯЮЩ. КЛАПАН)(№-8) ГИДРАВЛИКА

Схема запчастей Komatsu FD115-6 - ГИДРОЛИНИЯ (БАК - ГИДР. НАСОС. - УПРАВЛЯЮЩ. КЛАПАН)(№-8) ГИДРАВЛИКА
1
2
3
4
5
5
6
6
7
8
9
10
11
12
13
14
14
15
15
16
17
18
FIT
1:1
100%

Артикул

Название

Примечание

Количество

1

3EE-66-11161

STRAINER,SUCTION

SN: 5001-5800

1шт.

2

01010-80612

BOLT

SN: 5001-5800

1шт.

3

01602-20619

WASHER,SPRING

SN: 5001-5800

1шт.

4

3FE-66-11140

HOSE

SN: 5001-5800

1шт.

5

07280-07429

CLAMP

SN: 5033-5800

2шт.

|$6

07280-08029

CLAMP

SN: 5001-5032

2шт.

6

3FE-66-11111SA

PIPE

SN: 5033-5800

1шт.

|$8

0

PIPE

SN: 5001-5032

1шт.

7

01010-81240

BOLT

SN: 5001-5800

4шт.

8

01602-21236

WASHER,SPRING

SN: 5001-5800

4шт.

9

07000-12060

O-RING

SN: 5001-5800

1шт.

10

3FE-66-11150

HOSE

SN: 5001-5800

1шт.

11

07000-13035

O-RING

SN: 5001-5800

1шт.

12

01010-81055

BOLT

SN: 5001-5800

2шт.

13

01010-81060

BOLT

SN: 5001-5800

2шт.

14

01602-21030

WASHER,SPRING

SN: 5001-5800

4шт.

15

3FE-66-11122SA

PIPE

SN: 5674-5800

1шт.

|$20

3FE-66-11120SA

PIPE

SN: 5001-5673

1шт.

16

07042-30108

PLUG

SN: 5674-5800

1шт.

17

3BD-66-16221

NIPPLE

SN: 5001-5800

1шт.

18

3BD-66-16230

O-RING

SN: 5001-5800

1шт.

Выбрано товаров: 21