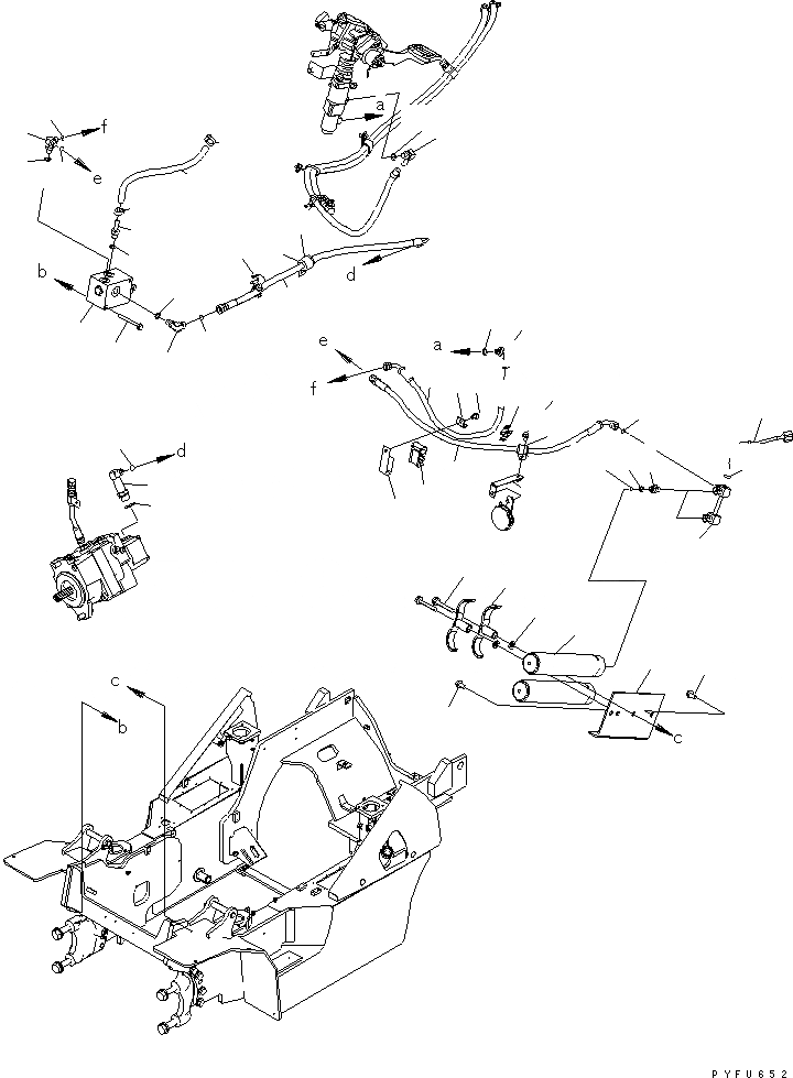
Запчасти Komatsu FG50A-10 ГИДРОЛИНИЯ (ТОРМОЗНОЙ КЛАПАН ЛИНИЯ) ГИДРАВЛИКА

Схема запчастей Komatsu FG50A-10 - ГИДРОЛИНИЯ (ТОРМОЗНОЙ КЛАПАН ЛИНИЯ) ГИДРАВЛИКА
1
2
3
4
5
6
7
8
9
10
11
12
12
13
14
15
16
17
18
19
20
21
22
23
24
25
25
26
27
28
29
30
31
32
33
34
35
36
36
37
38
39
40
41
42
43
44
45
46
47
48
FIT
1:1
100%

Артикул

Название

Примечание

Количество

1

3EC-66-54760

ELBOW

SN: 133001-UP

1шт.

2

07000-12018

O-RING

SN: 133001-UP

1шт.

3

02896-11009

O-RING

SN: 133001-UP

1шт.

4

02754-00309

HOSE,(FOR DIESEL ENGINE)

SN: 133001-UP

1шт.

|$7

37C-1AH-5030

HOSE,(FOR GASOLINE ENGINE)

SN: 133001-UP

1шт.

5

02782-10311

ELBOW

SN: 133001-UP

1шт.

6

07002-11423

O-RING

SN: 133001-UP

1шт.

7

02896-11009

O-RING

SN: 133001-UP

1шт.

8

3EC-66-54710

VALVE ASS'Y,ACCUMULATOR CHARGE

SN: 133001-UP

1шт.

9

01024-80880

BOLT

SN: 133001-UP

2шт.

10

207-62-72141

ELBOW

SN: 133001-UP

1шт.

11

07002-11423

O-RING

SN: 133001-UP

1шт.

12

02896-11008

O-RING

SN: 133001-UP

2шт.

13

37C-1AH-5020

HOSE

SN: 133001-UP

1шт.

14

02782-10210

ELBOW

SN: 133001-UP

1шт.

15

07002-11423

O-RING

SN: 133001-UP

1шт.

16

02896-11008

O-RING

SN: 133001-UP

1шт.

17

3EC-66-54751

ELBOW

SN: 133001-UP

1шт.

18

07002-11423

O-RING

SN: 133001-UP

1шт.

19

37C-1AH-5010

HOSE

SN: 133001-UP

1шт.

20

3EC-66-54890SG

PIPE

SN: 133001-UP

1шт.

21

02896-11008

O-RING

SN: 133001-UP

1шт.

22

3EC-66-54740

SWITCH

SN: 133001-UP

1шт.

23

07002-11423

O-RING

SN: 133001-UP

1шт.

24

3EC-66-54810SG

BRACKET

SN: 133001-UP

1шт.

25

01435-01020

BOLT

SN: 133001-UP

2шт.

26

3EC-66-54830

UNION

SN: 133001-UP

2шт.

27

07000-12011

O-RING

SN: 133001-UP

2шт.

28

02896-11008

O-RING

SN: 133001-UP

2шт.

29

3EC-66-54860

ACCUMULATOR

SN: 133001-UP

2шт.

30

3EC-66-54820

CLAMP

SN: 133001-UP

2шт.

31

01024-81065

BOLT

SN: 133001-UP

2шт.

32

01643-31032

WASHER

SN: 133001-UP

2шт.

33

3FD-38-31560

NIPPLE

SN: 133001-UP

1шт.

34

07002-11423

O-RING

SN: 133001-UP

1шт.

35

07260-20940

HOSE

SN: 133001-UP

1шт.

36

07281-00197

CLAMP

SN: 133001-UP

2шт.

37

04434-52711

CLIP

SN: 133001-UP

1шт.

38

07095-20418

CUSHION

SN: 133001-UP

1шт.

39

3EB-05-41270

CLAMP

SN: 133001-UP

1шт.

40

3EB-66-43390

CUSHION

SN: 133001-UP

1шт.

41

3EB-66-43480

CLAMP

SN: 133001-UP

1шт.

42

3EC-66-55590

PLATE

SN: 133001-UP

1шт.

43

01024-80816

BOLT

SN: 133001-UP

1шт.

44

3EA-05-46190

CLAMP

SN: 133001-UP

1шт.

45

3EC-66-52760SG

PLATE

SN: 133001-UP

1шт.

46

04434-51908

CLIP

SN: 133001-UP

1шт.

47

07095-20213

CUSHION

SN: 133001-UP

1шт.

48

01024-80816

BOLT

SN: 133001-UP

1шт.

Выбрано товаров: 49