Запчасти Komatsu FG30N-15 ГТР ПОТОК ПРИВОД ТРАНСМИССИЯ (/) СИЛОВАЯ ПЕРЕДАЧА И ПЕРЕДНИЙ МОСТ

Схема запчастей Komatsu FG30N-15 - ГТР ПОТОК ПРИВОД ТРАНСМИССИЯ (/) СИЛОВАЯ ПЕРЕДАЧА И ПЕРЕДНИЙ МОСТ
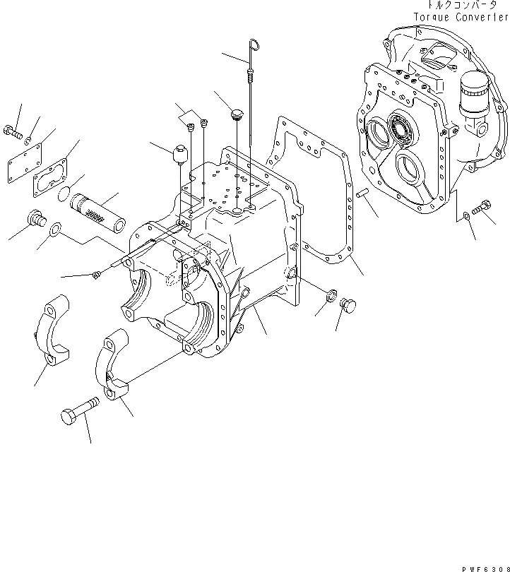
1
2
2
3
4
5
5
6
7
8
9
10
11
12
13
14
15
16
17
18
19
20
21
FIT
1:1
100%

Артикул

Название

Примечание

Количество

|$8

3EB-15-41010

CASE ASS'Y

SN: 570001-UP

1шт.

1

0

CASE

SN: 570001-UP

1шт.

2

0

CAP

SN: 570001-UP

2шт.

3

3EB-21-11190

BOLT

SN: 570001-UP

4шт.

4

3EB-15-41191

GASKET (K5)

SN: 574542-UP

1шт.

|$14

3EB-15-41190

GASKET (K5)

SN: 570001-574541

1шт.

5

07043-70108

PLUG

SN: 570001-UP

4шт.

6

3EB-15-31180

GAUGE

SN: 570001-UP

1шт.

7

07030-00252

BREATHER

SN: 570001-UP

1шт.

8

3EB-15-31271

CAP

SN: 570001-UP

1шт.

9

34B-41-12910

PLUG

SN: 570001-UP

1шт.

10

34B-41-12920

GASKET (K5)

SN: 570001-UP

1шт.

|$21

3EA-15-11600

FILTER ASS'Y

SN: 570001-UP

1шт.

11

3EA-15-11610

FILTER

SN: 570001-UP

1шт.

12

07000-03038

O-RING (K5)

SN: 570001-UP

1шт.

13

3EB-15-31230

PLATE

SN: 570001-UP

1шт.

14

3EB-15-31241

GASKET (K5)

SN: 570001-UP

1шт.

15

01010-80820

BOLT

SN: 570001-UP

6шт.

16

01643-50823

WASHER

SN: 570001-UP

6шт.

17

304-15-17180

PLUG

SN: 570001-UP

1шт.

18

07005-02216

GASKET (K5)

SN: 570001-UP

1шт.

19

01010-81035

BOLT

SN: 570001-UP

16шт.

20

01643-51032

WASHER

SN: 570001-UP

16шт.

21

04020-01228

PIN

SN: 570001-UP

2шт.

|$$25

SERVICE KIT

-1шт.

K5

3EB-15-05100

SEAL KIT,TORQUE FLOW TRANSMISSION

SN: 570001-UP

1шт.

Выбрано товаров: 26