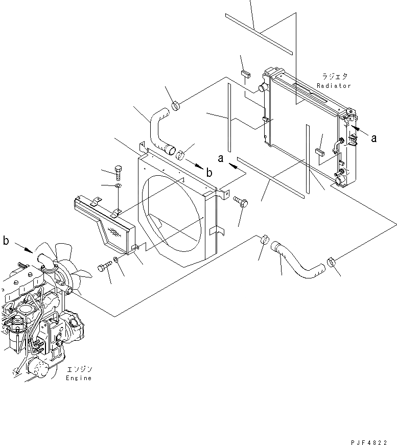
Запчасти Komatsu FG30H-14-EC SHUROUD И ШЛАНГИ СИСТЕМА ОХЛАЖДЕНИЯ

Схема запчастей Komatsu FG30H-14-EC - SHUROUD И ШЛАНГИ СИСТЕМА ОХЛАЖДЕНИЯ
1
2
2
3
3
4
5
5
6
7
8
8
9
9
10
11
11
12
12
FIT
1:1
100%

Артикул

Название

Примечание

Количество

1

3EB-04-37410SA

SHROUD ASS'Y

SN: 550001-UP

1шт.

2

3EB-04-23250

RUBBER

SN: 550001-UP

2шт.

3

3EB-04-32130

RUBBER

SN: 550001-UP

2шт.

4

F1210-40816

BOLT

SN: 550001-UP

2шт.

5

3EB-04-32140

RUBBER

SN: 550001-UP

2шт.

6

3EB-04-32110

HOSE

SN: 550001-UP

1шт.

7

3EB-04-32120

HOSE

SN: 550001-UP

1шт.

8

37B-1FH-3010

CLAMP

SN: 550001-UP

2шт.

9

37B-1FH-3010

CLAMP

SN: 550001-UP

2шт.

10

3EB-04-37420SA

COVER

SN: 550001-UP

1шт.

11

01010-80612

BOLT

SN: 550001-UP

4шт.

12

01643-30623

WASHER

SN: 550001-UP

4шт.

Выбрано товаров: 12