Запчасти Komatsu FG30-16 КОЖУХ И ШЛАНГИ (ДЛЯ LPG)(№7-) СИСТЕМА ОХЛАЖДЕНИЯ

Схема запчастей Komatsu FG30-16 - КОЖУХ И ШЛАНГИ (ДЛЯ LPG)(№7-) СИСТЕМА ОХЛАЖДЕНИЯ
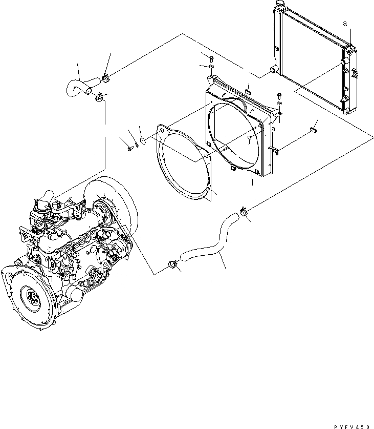
1
2
3
4
5
5
6
7
8
8
8
8
9
10
11
12
FIT
1:1
100%

Артикул

Название

Примечание

Количество

|$1

37B-1HP-5010

SHROUD ASS'Y

SN: 744500-UP

1шт.

1

3EB-04-51112

SHROUD

SN: 744500-UP

1шт.

2

3EB-04-51171

RING

SN: 744500-UP

1шт.

3

01024-80820

BOLT

SN: 744500-UP

2шт.

4

34A-42-41130

WASHER

SN: 744500-UP

2шт.

5

3EB-04-42140

RUBBER

SN: 744500-UP

2шт.

6

3EB-04-61120

HOSE

SN: 744500-UP

1шт.

7

3EB-04-56310

HOSE

SN: 744500-UP

1шт.

8

37B-1FH-3010

CLAMP

SN: 744500-UP

4шт.

9

3EB-04-51180SG

WASHER

SN: 744500-UP

2шт.

10

01010-B0616

BOLT

SN: 744500-UP

2шт.

11

01643-30623

WASHER

SN: 744500-UP

2шт.

12

3EB-04-56520

CLIP

SN: 744500-UP

1шт.

Выбрано товаров: 13