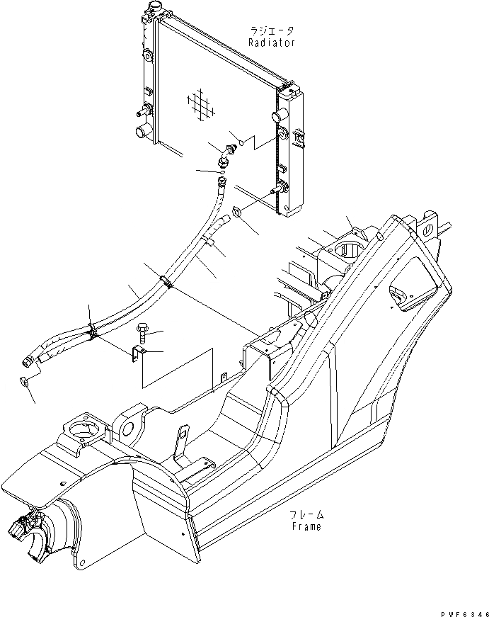
Запчасти Komatsu FG20N ГИДРОТРАНСФОРМАТОР ЛИНИЯ ОХЛАЖДЕНИЯ СИСТЕМА ОХЛАЖДЕНИЯ

Схема запчастей Komatsu FG20N - ГИДРОТРАНСФОРМАТОР ЛИНИЯ ОХЛАЖДЕНИЯ СИСТЕМА ОХЛАЖДЕНИЯ
1
2
3
3
4
4
5
6
7
8
9
10
FIT
1:1
100%

Артикул

Название

Примечание

Количество

1

37B-1PS-2071

HOSE

SN: 570001-UP

1шт.

2

3EB-04-48130

HOSE,(FOR GASOLINE ENGINE)

SN: 570001-UP

1шт.

|$4

3EB-04-48120

HOSE,(FOR DIESEL ENGINE)

SN: 570001-UP

1шт.

3

07281-00229

CLAMP

SN: 570001-UP

2шт.

4

3EB-04-44190

CLAMP

SN: 570001-UP

2шт.

5

3EB-04-48110

PIPE ASS'Y

SN: 570001-UP

1шт.

6

3EB-04-48140

O-RING

SN: 570001-UP

1шт.

7

02896-21009

O-RING

SN: 570001-UP

1шт.

8

3EB-04-48150

PLATE

SN: 570001-UP

1шт.

9

01024-80820

BOLT

SN: 581601-UP

1шт.

|$12

0

BOLT

SN: 570001-581600

1шт.

10

3EB-05-41260

CLAMP

SN: 570001-UP

1шт.

Выбрано товаров: 12