Запчасти Komatsu FB20A-12-A ПРИБОРНАЯ ПАНЕЛЬ ТРУБЫ (ДЛЯ 3-Х СЕКЦИОНН. КОНТРОЛЬН. КЛАПАН) РАБОЧЕЕ ОБОРУДОВАНИЕ

Схема запчастей Komatsu FB20A-12-A - ПРИБОРНАЯ ПАНЕЛЬ ТРУБЫ (ДЛЯ 3-Х СЕКЦИОНН. КОНТРОЛЬН. КЛАПАН) РАБОЧЕЕ ОБОРУДОВАНИЕ
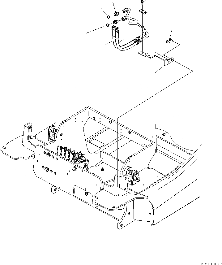
1
2
3
4
5
6
7
8
FIT
1:1
100%

Артикул

Название

Примечание

Количество

|$1

37B-1RA-5130

FITTING ASS'Y

SN: 837898-UP

2шт.

1

3BA-66-25280

NIPPLE

SN: 837898-UP

1шт.

2

540-62-13330

O-RING

SN: 837898-UP

1шт.

3

3BA-68-71310

HOSE

SN: 837898-UP

1шт.

4

3BA-68-71320

HOSE

SN: 837898-UP

1шт.

5

3BA-68-71330

BRACKET

SN: 837898-UP

1шт.

6

3BA-68-71340

CLAMP

SN: 837898-UP

1шт.

7

01024-80820

BOLT

SN: 837898-UP

2шт.

8

01024-80825

BOLT

SN: 837898-UP

1шт.

Выбрано товаров: 9