Запчасти Komatsu D155C-1 ГОЛОВН. И БОКОВ. ОСВЕЩЕНИЕ (ДЛЯ ДВИГАТЕЛЬ)(№9-) ЧАСТИ КОРПУСА

Схема запчастей Komatsu D155C-1 - ГОЛОВН. И БОКОВ. ОСВЕЩЕНИЕ (ДЛЯ ДВИГАТЕЛЬ)(№9-) ЧАСТИ КОРПУСА
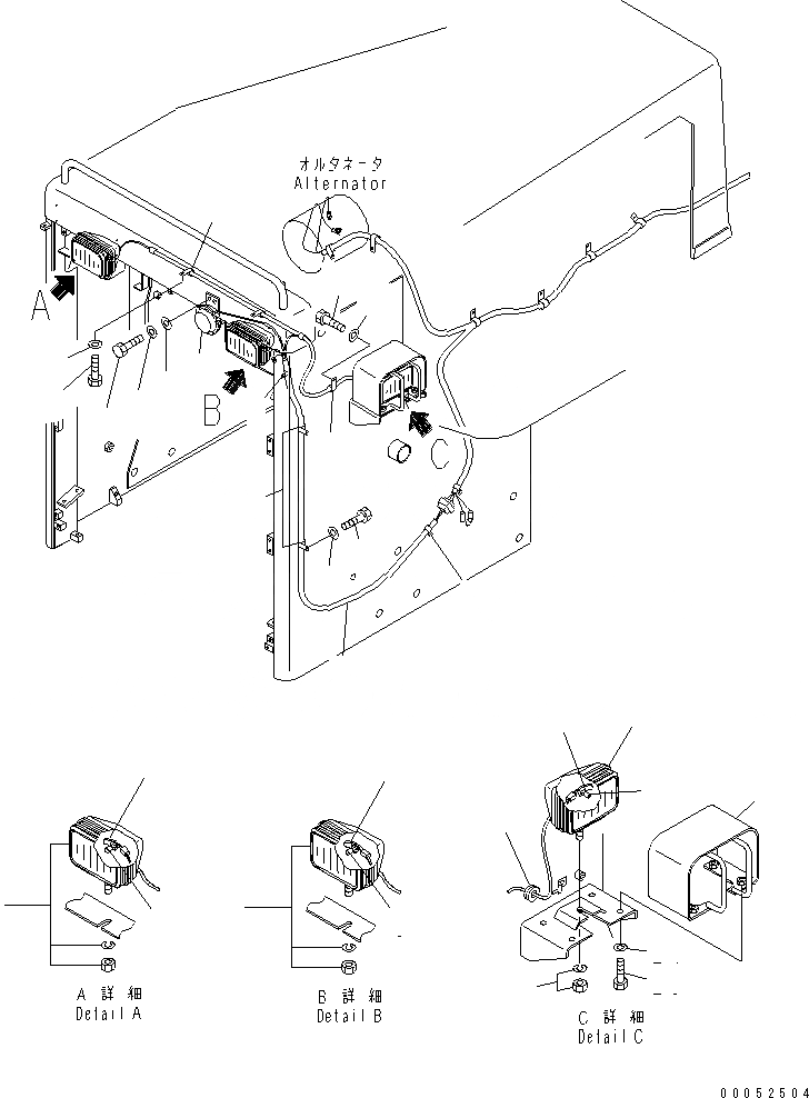
1
2
3
4
5
6
7
8
8
8
9
10
11
12
13
14
15
16
17
18
19
19
20
21
22
23
24
25
26
27
FIT
1:1
100%

Артикул

Название

Примечание

Количество

1

17A-06-17931

LAMP ASS'Y

SN: 31662-UP

1шт.

1

0

LAMP ASS'Y

SN: 31592-31661

1шт.

2

17A-06-17970

BULB, 70W

SN: 31592-UP

1шт.

3

17A-06-17980

SLEEVE

SN: 31592-UP

1шт.

4

17A-06-17931

LAMP ASS'Y

SN: 31662-UP

1шт.

4

0

LAMP ASS'Y

SN: 31592-31661

1шт.

5

17A-06-17970

BULB, 70W

SN: 31592-UP

1шт.

6

17A-06-17980

SLEEVE

SN: 31592-UP

1шт.

7

176-06-52220

WIRING HARNESS

SN: 31592-UP

1шт.

8

04434-51510

CLIP

SN: 31592-UP

4шт.

9

01010-81016

BOLT

SN: 31592-UP

4шт.

10

01643-31032

WASHER

SN: 31592-UP

4шт.

11

175-06-39170

HORN

SN: 31586-UP

1шт.

12

01010-80820

BOLT

SN: 31586-UP

2шт.

13

01643-30823

WASHER

SN: 31586-UP

2шт.

14

01640-20816

WASHER

SN: 31586-UP

2шт.

15

04434-41010

CLIP

SN: 31592-UP

1шт.

16

01010-81016

BOLT

SN: 31592-UP

1шт.

17

01643-31032

WASHER

SN: 31592-UP

1шт.

18

112-06-12150

GROMMET

SN: 31592-UP

1шт.

19

17A-06-17931

LAMP ASS'Y

SN: 31662-UP

1шт.

19

0

LAMP ASS'Y

SN: 31592-31661

1шт.

20

17A-06-17970

BULB, 70W

SN: 31592-UP

1шт.

21

17A-06-17980

SLEEVE

SN: 31592-UP

1шт.

22

196-54-36970

COVER

SN: 31592-UP

1шт.

23

01010-81230

BOLT

SN: 31586-UP

4шт.

24

01643-31232

WASHER

SN: 31586-UP

4шт.

25

04434-51010

CLIP

SN: 31592-UP

4шт.

26

01010-51020

BOLT

SN: 31592-UP

4шт.

27

01643-31032

WASHER

SN: 31592-UP

4шт.

Выбрано товаров: 30