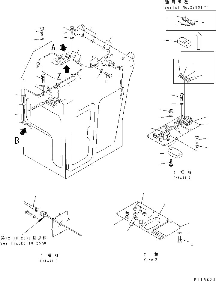
Запчасти Komatsu D155C-1 КАБИНА (ЭЛЕКТРИКА)(№8-) КАБИНА ОПЕРАТОРА И СИСТЕМА УПРАВЛЕНИЯ

Схема запчастей Komatsu D155C-1 - КАБИНА (ЭЛЕКТРИКА)(№8-) КАБИНА ОПЕРАТОРА И СИСТЕМА УПРАВЛЕНИЯ
1
1
2
3
4
4
5
6
7
8
9
9
10
11
12
12
13
13
14
14
14A
15
16
17
18
19
20
21
22
22
22
23
24
25
26
27
28
29
30
31
32
33
34
35
36
37
FIT
1:1
100%

Артикул

Название

Примечание

Количество

1

176-911-1492

PLATE

SN: 23891-UP

1шт.

1

0

PLATE

SN: 15686-23890

1шт.

2

01220-40616

SCREW

SN: 15686-UP

9шт.

3

01643-30623

WASHER

SN: 15686-UP

9шт.

4

08141-12400

LAMP

SN: 23891-UP

1шт.

4

08142-32400

LAMP ASS'Y

SN: 15686-23890

1шт.

4

08116-02410

BULB, 10W,10W

SN: 15686-UP

1шт.

5

01220-40412

SCREW

SN: 23891-UP

2шт.

5

01010-80612

BOLT

SN: 15686-23890

2шт.

6

01580-10403

NUT

SN: 15686-UP

2шт.

7

01601-20410

WASHER

SN: 23891-UP

2шт.

7

01602-20619

WASHER

SN: 15686-23890

2шт.

8

08060-00040

SWITCH

SN: 15686-UP

1шт.

9

175-06-35431

BOX

SN: 23891-UP

1шт.

9

0

BOX

SN: 15686-23890

1шт.

10

01220-40616

SCREW

SN: 15686-UP

2шт.

11

01611-06063

WASHER

SN: 15686-UP

2шт.

12

175-06-35420

FUSE, 10A

SN: 31586-UP

4шт.

12

175-06-35420

FUSE, 10A

SN: 23891-31585

3шт.

12

175-06-35420

FUSE, 10A

SN: 15686-23890

2шт.

13

175-06-35410

FUSE, 20A

SN: 15686-UP

1шт.

14

175-06-35390

FUSE, 30A

SN: 15686-UP

1шт.

14A

175-06-35380

FUSE, 40A

SN: 15686-23890

1шт.

15

176-911-1891

WIRE ASS'Y

SN: 23891-UP

1шт.

15

0

WIRE ASS'Y

SN: 15686-23890

1шт.

16

01220-40410

SCREW

SN: 15686-UP

1шт.

17

01601-20410

WASHER

SN: 15686-UP

1шт.

18

08036-80810

CLIP

SN: 31586-UP

1шт.

19

195-979-5380

CAP

SN: 15686-UP

2шт.

20

196-911-3750

WIRE ASS'Y

SN: 31574-UP

1шт.

20

0

WIRE ASS'Y

SN: 23891-31573

1шт.

20

0

WIRE ASS'Y

SN: 15686-23890

1шт.

21

195-979-3250

PLUG

SN: 15686-UP

1шт.

22

04434-51410

CLIP

SN: 31574-UP

6шт.

22

08036-21414

CLIP

SN: 15686-31573

6шт.

23

01010-81020

BOLT

SN: 15686-UP

6шт.

24

01602-21030

WASHER

SN: 15686-UP

6шт.

25

04434-51210

CLIP

SN: 31574-UP

2шт.

25

08036-31214

CLIP

SN: 15686-31573

2шт.

26

01010-81020

BOLT

SN: 15686-UP

2шт.

27

01602-21030

WASHER

SN: 15686-UP

2шт.

28

04434-50610

CLIP

SN: 31574-UP

3шт.

28

08036-30614

CLIP

SN: 15686-31573

3шт.

29

01010-81020

BOLT

SN: 15686-UP

3шт.

30

01602-21030

WASHER

SN: 15686-UP

3шт.

31

04434-50810

CLIP

SN: 31574-UP

2шт.

31

08036-30814

CLIP

SN: 15686-31573

2шт.

32

01010-81020

BOLT

SN: 15686-UP

2шт.

33

01602-21030

WASHER

SN: 15686-UP

2шт.

34

09415-01610

CAP

SN: 15686-UP

3шт.

35

08037-03614

GROMMET

SN: 15686-UP

1шт.

36

08037-03614

GROMMET

SN: 31574-UP

1шт.

36

08037-01610

GROMMET

SN: 15686-UP

1шт.

37

201-54-13210

GROMMET

SN: 31574-UP

2шт.

37

08037-01008

GROMMET

SN: 15686-31573

2шт.

Выбрано товаров: 55