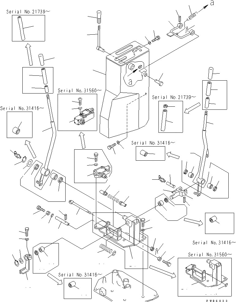
Запчасти Komatsu D155C-1P КРЮК И РЫЧАГ УПРАВЛЕНИЯ ПОДЪЕМОМ-ОПУСК.(№8-7) КАБИНА ОПЕРАТОРА И СИСТЕМА УПРАВЛЕНИЯ

Схема запчастей Komatsu D155C-1P - КРЮК И РЫЧАГ УПРАВЛЕНИЯ ПОДЪЕМОМ-ОПУСК.(№8-7) КАБИНА ОПЕРАТОРА И СИСТЕМА УПРАВЛЕНИЯ
1
2
3
3
4
4
5
6
7
7
8
9
9
9
10
10
11
12
13
14
15
16
16
16
16
17
17
18
19
20
21
22
23
23
24
24
25
26
27
27
28
29
30
31
32
32
33
34
34A
35
36
37
38
39
40
40
41
41
42
43
43
44
44
45
45
46
47
47
48
48
49
50
51
52
53
54
55
FIT
1:1
100%

Артикул

Название

Примечание

Количество

1

176-76-27441

LEVER,HOOK

SN: 15686-@

1шт.

2

156-76-32110

KNOB

SN: 21739-@

1шт.

2

09304-01240

KNOB

SN: 15686-21738

1шт.

3

176-76-28260

COLLAR

SN: 21739-@

1шт.

3

176-76-27731

COLLAR

SN: 15686-21738

1шт.

4

09361-31210

NUT

SN: 21739-@

1шт.

4

09361-01460

BUSHING

SN: 15686-21738

1шт.

5

176-76-27451

LEVER

SN: 15686-@

1шт.

6

09304-01240

KNOB

SN: 15686-@

1шт.

7

176-76-28250

COLLAR

SN: 21739-@

1шт.

7

176-76-27861

COLLAR

SN: 15686-21738

1шт.

8

09361-01460

BUSHING

SN: 15686-21738

1шт.

9

06123-01614

BEARING,NEEDLE

SN: 31416-@

2шт.

9

0

BEARING,NEEDLE

SN: 15686-31415

2шт.

10

06122-11603

SEAL,BEARING

SN: 15686-31415

1шт.

11

175-43-38160

SHAFT

SN: 15686-@

1шт.

12

07020-00675

FITTING,GREASE

SN: 15686-@

1шт.

13

176-76-27430

YOKE

SN: 15686-@

1шт.

14

04025-00432

PIN

SN: 15686-@

1шт.

15

04010-00519

KEY

SN: 15686-@

1шт.

16

06123-02018

BEARING,NEEDLE

SN: 31416-@

2шт.

16

0

BEARING,NEEDLE

SN: 15686-31415

2шт.

17

06122-12004

SEAL,BEARING

SN: 15686-31415

2шт.

18

176-76-27461

LEVER

SN: 15686-@

1шт.

19

01010-80830

BOLT

SN: 15686-@

1шт.

20

01602-00825

WASHER,SPRING

SN: 15686-@

1шт.

21

176-76-27470

WASHER

SN: 15686-@

1шт.

22

04064-02012

RING,SNAP

SN: 15686-@

1шт.

23

06124-02520

BEARING,NEEDLE

SN: 31416-@

1шт.

23

0

BEARING,NEEDLE

SN: 15686-31415

1шт.

24

06122-12504

SEAL,BEARING

SN: 15686-31415

2шт.

25

01640-02440

WASHER

SN: 15686-@

1шт.

26

04064-02512

RING,SNAP

SN: 15686-@

1шт.

27

176-76-27422

BRACKET

SN: 31560-@

1шт.

27

176-76-27421

BRACKET

SN: 15686-31559

1шт.

28

07020-00675

FITTING,GREASE

SN: 15686-@

1шт.

29

01010-81235

BOLT

SN: 15686-@

3шт.

30

01643-31232

WASHER

SN: 21739-@

3шт.

30

0

WASHER,SPRING

SN: 15686-21738

3шт.

31

176-76-27621

SPRING

SN: 15686-@

1шт.

32

176-76-28170

GUIDE

SN: 15686-@

2шт.

33

176-76-28160

ROD

SN: 15686-@

1шт.

34

01590-00809

NUT

SN: 15686-@

1шт.

34A

01641-20812

WASHER

SN: 31560-@

1шт.

35

04050-02015

PIN,COTTER

SN: 15686-@

1шт.

36

176-76-27621

SPRING

SN: 15686-@

1шт.

37

01640-01223

WASHER

SN: 15686-@

1шт.

38

176-76-28180

SHAFT

SN: 15686-@

1шт.

39

04025-00324

PIN,SPRING

SN: 15686-@

1шт.

40

01016-30825

BOLT

SN: 15686-@

2шт.

41

01580-00806

NUT

SN: 15686-@

2шт.

42

01640-00816

WASHER

SN: 15686-@

1шт.

43

176-76-27663

SWITCH

SN: 31560-@

1шт.

43

176-76-27661

SWITCH,MICRO

SN: 15686-31559

1шт.

44

01220-40540

SCREW

SN: 31560-@

4шт.

44

01010-30625

BOLT

SN: 15686-31559

3шт.

45

01601-20513

WASHER

SN: 31560-@

4шт.

45

01602-00619

WASHER,SPRING

SN: 15686-31559

3шт.

46

176-76-27711

CASE

SN: 15686-@

1шт.

47

01010-81225

BOLT

SN: 15686-@

4шт.

48

01643-31232

WASHER

SN: 21739-@

4шт.

48

0

WASHER,SPRING

SN: 15686-21738

4шт.

49

176-76-27771

LEVER

SN: 15686-@

1шт.

50

09305-00800

KNOB

SN: 15686-@

1шт.

51

176-76-27742

LEVER

SN: 15686-@

1шт.

52

04025-00532

PIN,SPRING

SN: 15686-@

1шт.

53

04205-01648

PIN

SN: 15686-@

1шт.

54

04050-04025

PIN,COTTER

SN: 15686-@

1шт.

55

154-44-12460

SPRING

SN: 15686-@

1шт.

Выбрано товаров: 69