Запчасти Komatsu D155C-1P БОКОВ. КРЫШКА ДВИГ. (ДЛЯ ДВИГАТЕЛЬ)(№78-) ЧАСТИ КОРПУСА

Схема запчастей Komatsu D155C-1P - БОКОВ. КРЫШКА ДВИГ. (ДЛЯ ДВИГАТЕЛЬ)(№78-) ЧАСТИ КОРПУСА
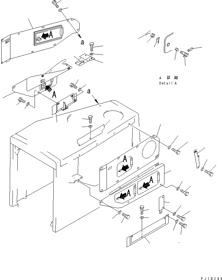
1
2
3
4
5
6
7
8
9
10
11
12
13
14
15
16
17
18
19
20
21
22
23
24
25
25
26
26
27
28
29
30
31
32
33
34
35
36
37
38
39
FIT
1:1
100%

Артикул

Название

Примечание

Количество

1

176-54-49240

BRACKET,L.H.

SN: 15686-UP

1шт.

2

01010-81240

BOLT

SN: 15686-UP

2шт.

3

01643-31232

WASHER

SN: 15686-UP

2шт.

4

176-54-49131

COVER

SN: 15686-UP

1шт.

5

01010-81235

BOLT

SN: 15686-UP

1шт.

6

01643-31232

WASHER

SN: 15686-UP

1шт.

7

01010-81245

BOLT

SN: 15686-UP

2шт.

8

01643-31232

WASHER

SN: 15686-UP

2шт.

9

176-54-49171

BRACKET

SN: 15686-UP

1шт.

10

01010-81235

BOLT

SN: 15686-UP

1шт.

11

01643-31232

WASHER

SN: 15686-UP

1шт.

12

176-54-46110

GUARD

SN: 15686-UP

1шт.

13

01010-81230

BOLT

SN: 15686-UP

3шт.

14

01643-31232

WASHER

SN: 31416-UP

3шт.

15

176-54-49141

COVER,L.H.

SN: 15686-UP

1шт.

16

175-886-1260

HANDLE

SN: 15686-UP

1шт.

17

175-886-1270

SPRING

SN: 15686-UP

1шт.

18

04025-00532

PIN

SN: 15686-UP

1шт.

19

175-54-28780

PLATE

SN: 15686-UP

1шт.

20

01590-31215

NUT

SN: 15686-UP

1шт.

21

04050-13020

PIN

SN: 15686-UP

1шт.

22

01010-81235

BOLT

SN: 15686-UP

9шт.

23

135-54-32340

WASHER

SN: 31416-UP

9шт.

24

176-54-49111

COVER,L.H.

SN: 15686-UP

1шт.

25

01010-81235

BOLT

SN: 15686-UP

2шт.

26

01643-31232

WASHER

SN: 15686-UP

2шт.

27

176-54-49211

COVER

SN: 15686-UP

1шт.

28

01010-81235

BOLT

SN: 15686-UP

9шт.

29

135-54-32340

WASHER

SN: 15686-UP

9шт.

30

176-54-49181

COVER,R.H.

SN: 15686-UP

1шт.

31

01010-81235

BOLT

SN: 15686-UP

2шт.

32

01643-31232

WASHER

SN: 15686-UP

2шт.

33

176-54-49191

COVER,R.H.

SN: 15686-UP

1шт.

34

175-871-2120

HOOK (WELDED)

SN: 15686-UP

1шт.

35

01010-81235

BOLT

SN: 15686-UP

3шт.

36

01643-31232

WASHER

SN: 15686-UP

3шт.

37

176-54-47171

PLATE

SN: 31416-UP

1шт.

38

01010-81230

BOLT

SN: 31416-UP

2шт.

39

01643-31232

WASHER

SN: 31416-UP

2шт.

Выбрано товаров: 39