Запчасти Komatsu D355C-3 КОНЦЕНТР. ТРУБЫ (МОРОЗОУСТОЙЧИВ. СПЕЦ-Я) СИЛОВАЯ ПЕРЕДАЧА И КОНЕЧНАЯ ПЕРЕДАЧА

Схема запчастей Komatsu D355C-3 - КОНЦЕНТР. ТРУБЫ (МОРОЗОУСТОЙЧИВ. СПЕЦ-Я) СИЛОВАЯ ПЕРЕДАЧА И КОНЕЧНАЯ ПЕРЕДАЧА
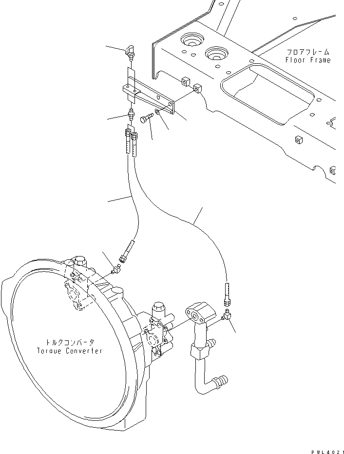
1
2
3
4
5
6
7
8
9
FIT
1:1
100%

Артикул

Название

Примечание

Количество

1

196-49-34220

BRACKET

SN: 14263-UP

1шт.

2

01010-81230

BOLT

SN: 14263-UP

2шт.

3

01643-31232

WASHER

SN: 14263-UP

2шт.

4

202-62-21430

ELBOW

SN: 14263-UP

1шт.

5

201-62-41910

ELBOW

SN: 14263-UP

1шт.

6

203-62-21740

NIPPLE

SN: 14263-UP

2шт.

7

195-49-36120

NIPPLE

SN: 14263-UP

2шт.

8

203-62-21630

HOSE

SN: 14263-UP

1шт.

9

19M-61-21830

HOSE

SN: 14263-UP

1шт.

Выбрано товаров: 0