Запчасти Komatsu D355C-3 ФИЛЬТР РУЛЕВ. УПРАВЛ-Я(№9-) СИСТЕМАУПРАВЛЕНИЯ ПОВОРОТОМ И КОНЕЧНАЯ ПЕРЕДАЧА

Схема запчастей Komatsu D355C-3 - ФИЛЬТР РУЛЕВ. УПРАВЛ-Я(№9-) СИСТЕМАУПРАВЛЕНИЯ ПОВОРОТОМ И КОНЕЧНАЯ ПЕРЕДАЧА
FIT
1:1
100%

Артикул

Название

Примечание

Количество

|$0

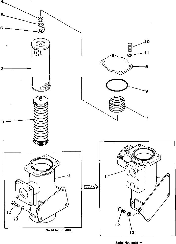
196-49-00012

STRAINER ASS'Y

SN: 6039-UP

1шт.

|$1

0

STRAINER ASS'Y

SN: 4001-6038

1шт.

|$2

0

STRAINER ASS'Y

SN: 3259-4000

1шт.

1

196-40-11121

CASE

SN: 4001-UP

1шт.

1

196-49-11120

CASE

SN: 3259-4000

1шт.

2

195-49-11211

SCREEN

SN: 6039-UP

1шт.

2

0

SCREEN

SN: 3259-6038

1шт.

3

195-49-11221

MAGNET ASS'Y

SN: 3259-UP

1шт.

4

01580-01210

NUT

SN: 3259-UP

1шт.

5

01643-31232

WASHER

SN: 3259-UP

1шт.

6

176-49-42320

PLATE

SN: 3259-UP

1шт.

7

154-19-11230

SPRING

SN: 3259-UP

1шт.

8

195-49-11850

COVER

SN: 3259-UP

1шт.

9

07000-03120

O-RING

SN: 3259-UP

1шт.

10

01010-81230

BOLT

SN: 3259-UP

4шт.

11

01643-31232

WASHER

SN: 3259-UP

4шт.

12

01010-81230

BOLT

SN: 3259-UP

4шт.

13

01643-31232

WASHER

SN: 7529-UP

4шт.

13

0

WASHER

SN: 3259-7528

4шт.

Выбрано товаров: 19