Запчасти Komatsu D355C-3 МУФТА ЛЕБЕДКИ ГРУППА (/)(№-) УПРАВЛ-Е РАБОЧИМ ОБОРУДОВАНИЕМ

Схема запчастей Komatsu D355C-3 - МУФТА ЛЕБЕДКИ ГРУППА (/)(№-) УПРАВЛ-Е РАБОЧИМ ОБОРУДОВАНИЕМ
FIT
1:1
100%

Артикул

Название

Примечание

Количество

|$0

176-76-01007

WINCH ASS'Y

SN: 13555-UP

1шт.

|$1

0

WINCH ASS'Y

SN: 8631-13554

1шт.

|$2

0

WINCH ASS'Y

SN: 8364-8630

1шт.

|$3

0

WINCH ASS'Y

SN: 4793-8363

1шт.

|$4

0

WINCH ASS'Y

SN: 4001-4792

1шт.

|$$6

THESE ASSEMBLIES CONSIST OF ALL PARTS SHOWN IN FIGS.1631 -1639,1642-1644,1646A ,1661A,1662A,1666A,1667A,1669A AND 1675.

-1шт.

|$6

176-76-00292

CLUTCH ASS'Y

SN: 13555-UP

1шт.

|$7

0

CLUTCH ASS'Y,(LOW)

SN: 8364-13554

1шт.

|$8

0

CLUTCH ASS'Y,(LOW)

SN: 4001-8363

1шт.

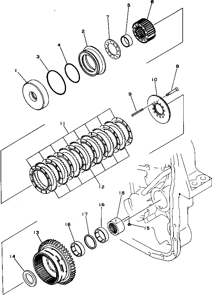
1

176-76-63110

DRUM

SN: 4001-UP

1шт.

2

176-76-63120

PISTON

SN: 4001-UP

1шт.

3

07000-45180

O-RING

SN: 4001-UP

1шт.

4

07000-45135

O-RING

SN: 4001-UP

1шт.

5

176-76-63130

COLLAR

SN: 4001-UP

1шт.

6

176-76-63140

DRUM

SN: 4001-UP

1шт.

7

176-76-63150

PLATE

SN: 4001-UP

1шт.

8

176-76-63160

BOLT

SN: 4001-UP

12шт.

9

176-76-63170

SPRING

SN: 4001-UP

12шт.

10

176-76-63180

PLATE

SN: 4001-UP

1шт.

11

176-76-64151

DISK

SN: 8364-UP

8шт.

11

0

DISC

SN: 4001-8363

8шт.

12

176-76-63210

PLATE

SN: 4001-UP

7шт.

13

176-76-63280

DRUM

SN: 4001-UP

1шт.

14

176-76-63390

SPACER

SN: 4001-UP

1шт.

15

176-76-63260

VALVE

SN: 4001-13554

2шт.

16

170-14-14250

BUSHING

SN: 4001-UP

2шт.

17

175-14-15590

COLLAR

SN: 4001-UP

1шт.

18

176-76-63250

RACE,INNER

SN: 4001-UP

1шт.

Выбрано товаров: 28