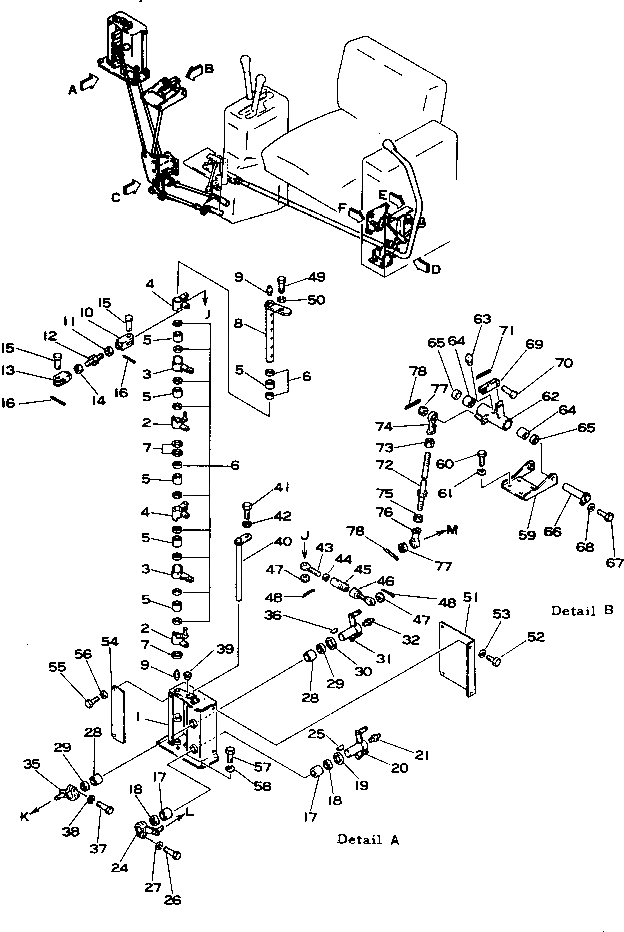
Запчасти Komatsu D355C-3 РЫЧАГ УПРАВЛ-Я ЛЕБЕДКОЙ (/)(№9-) УПРАВЛ-Е РАБОЧИМ ОБОРУДОВАНИЕМ

Схема запчастей Komatsu D355C-3 - РЫЧАГ УПРАВЛ-Я ЛЕБЕДКОЙ (/)(№9-) УПРАВЛ-Е РАБОЧИМ ОБОРУДОВАНИЕМ
FIT
1:1
100%

Артикул

Название

Примечание

Количество

|$0

176-76-02001

WINCH ASS'Y

SN: 3259-4000

1шт.

|$$2

THIS ASSEMBLY CONSISTS OF ALL PARTS SHOWN IN FIGS.1621 AND 1622.

-1шт.

|$2

176-76-00070

CAM BOX ASS'Y

SN: 3259-4000

1шт.

1

176-76-27110

CASE

SN: 3259-4000

1шт.

2

176-76-27150

LEVER

SN: 3259-4000

2шт.

3

176-76-27160

LEVER

SN: 3259-4000

2шт.

4

176-76-27170

LEVER

SN: 3259-4000

2шт.

5

06120-02016

BEARING

SN: 3259-4000

6шт.

6

06122-02004

SEAL

SN: 3259-4000

12шт.

7

176-76-27180

WASHER

SN: 3259-4000

3шт.

8

176-76-27190

SHAFT

SN: 3259-4000

1шт.

9

07020-00000

FITTING,GREASE

SN: 3259-4000

2шт.

10

176-76-27140

YOKE

SN: 3259-4000

6шт.

11

01583-01006

NUT

SN: 3259-4000

6шт.

12

176-76-27130

JOINT

SN: 3259-4000

6шт.

13

176-76-27120

YOKE

SN: 3259-4000

6шт.

14

01508-11006

NUT

SN: 3259-4000

6шт.

15

04205-01028

PIN

SN: 3259-4000

12шт.

16

04050-03015

PIN,COTTER

SN: 3259-4000

12шт.

17

06120 02016

BEARING

SN: 3259-4000

2шт.

18

06122-02004

SEAL

SN: 3259-4000

2шт.

19

176-76-27180

WASHER

SN: 3259-4000

1шт.

20

176-76-27230

LEVER

SN: 3259-4000

1шт.

21

07020-00000

FITTING,GREASE

SN: 3259-4000

1шт.

24

176-76-27290

LEVER

SN: 3259-4000

1шт.

25

04010-00519

KEY

SN: 3259-4000

1шт.

26

01010-80830

BOLT

SN: 3259-4000

1шт.

27

01602-00825

WASHER,SPRING

SN: 3259-4000

1шт.

28

06120-02016

BEARING

SN: 3259-4000

2шт.

29

06122-02004

SEAL

SN: 3259-4000

2шт.

30

176-76-27180

WASHER

SN: 3259-4000

1шт.

31

176-76-27230

LEVER

SN: 3259-4000

1шт.

32

07020-00000

FITTING,GREASE

SN: 3259-4000

1шт.

35

176-76-27280

LEVER

SN: 3259-4000

1шт.

36

04010-00519

KEY

SN: 3259-4000

1шт.

37

01010-80830

BOLT

SN: 3259-4000

1шт.

38

01602-00825

WASHER,SPRING

SN: 3259-4000

1шт.

39

07048-01310

PLUG

SN: 3259-4000

2шт.

40

176-76-27260

SHAFT

SN: 3259-4000

1шт.

41

01010-81020

BOLT

SN: 3259-4000

1шт.

42

01602-01030

WASHER,SPRING

SN: 3259-4000

1шт.

43

04252-01061

END

SN: 3259-4000

4шт.

44

01583-01006

NUT

SN: 3259-4000

4шт.

45

176-76-27210

HOLDER

SN: 3259-4000

4шт.

46

176-76-27220

END ASS'Y

SN: 3259-4000

4шт.

47

01593-01008

NUT

SN: 3259-4000

8шт.

48

04050-02018

PIN,COTTER

SN: 3259-4000

8шт.

49

01010-61625

BOLT

SN: 3259-4000

1шт.

50

01602-01648

WASHER,SPRING

SN: 3259-4000

1шт.

51

176-76-27240

COVER

SN: 3259-4000

1шт.

52

01010-80812

BOLT

SN: 3259-4000

4шт.

53

01602-00825

WASHER,SPRING

SN: 3259-4000

4шт.

54

176-76-27250

COVER

SN: 3259-4000

1шт.

55

01010-80812

BOLT

SN: 3259-4000

2шт.

56

01602-00825

WASHER,SPRING

SN: 3259-4000

2шт.

57

01010-81235

BOLT

SN: 3259-4000

4шт.

58

01602-01236

WASHER,SPRING

SN: 3259-4000

4шт.

59

176-76-27310

BRACKET

SN: 3259-4000

1шт.

60

01010-81225

BOLT

SN: 3259-4000

4шт.

61

01602-01236

WASHER,SPRING

SN: 3259-4000

4шт.

62

176-76-27330

LEVER

SN: 3259-4000

1шт.

63

07020-00675

FITTING,GREASE

SN: 3259-4000

1шт.

64

06120-01612

BEARING

SN: 3259-4000

2шт.

65

06122-01603

SEAL

SN: 3259-4000

2шт.

66

176-76-27340

SHAFT

SN: 3259-4000

1шт.

66

176-76-27340

SHAFT

SN: 3259-4000

1шт.

67

01010-80816

BOLT

SN: 3259-4000

1шт.

68

01602-00825

WASHER,SPRING

SN: 3259-4000

1шт.

69

176-76-27320

YOKE

SN: 3259-4000

1шт.

70

04205-00822

PIN

SN: 3259-4000

2шт.

71

04050-02012

PIN,COTTER

SN: 3259-4000

2шт.

72

04248-11245

ROD

SN: 3259-4000

1шт.

73

01508-11207

NUT

SN: 3259-4000

1шт.

74

04250-61265

END

SN: 3259-4000

1шт.

75

01583-01207

NUT

SN: 3259-4000

1шт.

76

04250-41265

END

SN: 3259-4000

1шт.

77

01593-01210

NUT

SN: 3259-4000

2шт.

78

04050-03020

PIN,COTTER

SN: 3259-4000

2шт.

Выбрано товаров: 78