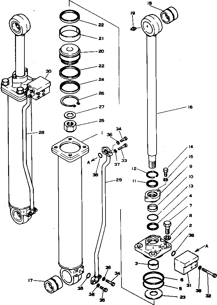
Запчасти Komatsu D355C-3 ЦИЛИНДР ПРОТИВОВЕСА(№9-) УПРАВЛ-Е РАБОЧИМ ОБОРУДОВАНИЕМ

Схема запчастей Komatsu D355C-3 - ЦИЛИНДР ПРОТИВОВЕСА(№9-) УПРАВЛ-Е РАБОЧИМ ОБОРУДОВАНИЕМ
FIT
1:1
100%

Артикул

Название

Примечание

Количество

|$0

196-63-29100

CYLINDER ASS'Y,(L.H.)

SN: 3259-UP

1шт.

|$1

196-63-29200

CYLINDER ASS'Y,(R.H.)

SN: 3259-UP

1шт.

1

196-63-29140

CYLINDER

SN: 3259-UP

1шт.

2

131-63-32131

HEAD,CYLINDER

SN: 3259-UP

1шт.

3

07177-05030

BUSHING

SN: 3259-UP

1шт.

4

707-51-50110

PACKING

SN: 4001-UP

1шт.

4

0

PACKING

SN: 3259-4000

1шт.

5

07000-12115

O-RING

SN: 3259-UP

1шт.

6

07146-02116

RING,BACK-UP

SN: 3259-UP

1шт.

7

01010-62260

BOLT

SN: 3259-UP

4шт.

8

01602-22268

WASHER,SPRING

SN: 3259-UP

4шт.

9

12F-63-13330

GLAND

SN: 3259-UP

1шт.

10

07177-05012

BUSHING

SN: 3259-UP

1шт.

11

176-63-92240

SEAL,DUST

SN: 4001-UP

1шт.

11

0

SEAL,DUST

SN: 3259-4000

1шт.

12

07179-00069

RING,SNAP

SN: 3259-UP

1шт.

13

07000-03065

O-RING

SN: 3259-UP

1шт.

14

01010-81240

BOLT

SN: 3259-UP

2шт.

15

01602-21236

WASHER,SPRING

SN: 3259-UP

2шт.

16

196-63-29120

ROD,PISTON

SN: 3259-UP

1шт.

17

176-63-29381

BUSHING

SN: 3259-UP

1шт.

18

176-63-29481

BUSHING

SN: 3259-UP

1шт.

19

07020-00000

FITTING,GREASE

SN: 3259-UP

1шт.

20

131-63-32350

PISTON

SN: 3259-UP

1шт.

21

07155-01230

RING,WEAR

SN: 3259-UP

1шт.

22

707-42-12012

PACKING,PISTON

SN: 4001-UP

2шт.

22

0

PACKING,PISTON

SN: 3259-4000

2шт.

23

707-40-12010

RETAINER

SN: 3259-UP

1шт.

24

707-40-12510

RETAINER

SN: 4001-UP

1шт.

24

0

RETAINER

SN: 3259-4000

1шт.

25

07165-13941

NUT,NYLON

SN: 3259-UP

1шт.

26

04069-00952

RING,SNAP

SN: 3259-UP

1шт.

27

131-63-32360

WASHER

SN: 3259-UP

1шт.

28

196-63-29180

TUBE,L.H.

SN: 3259-UP

1шт.

29

196-63-29280

TUBE,R.H.

SN: 3259-UP

1шт.

30

196-63-29190

ELBOW,L.H.

SN: 3259-UP

1шт.

31

196-63-29290

ELBOW,R.H.

SN: 3259-UP

1шт.

32

01010-80895

BOLT

SN: 3259-UP

4шт.

33

01010-81245

BOLT

SN: 3259-UP

2шт.

34

01010-80845

BOLT

SN: 3259-UP

2шт.

35

01010-80835

BOLT

SN: 3259-UP

2шт.

36

01602-20825

WASHER,SPRING

SN: 3259-UP

8шт.

37

01602-21236

WASHER,SPRING

SN: 3259-UP

2шт.

38

07000-13025

O-RING

SN: 3259-UP

3шт.

Выбрано товаров: 44