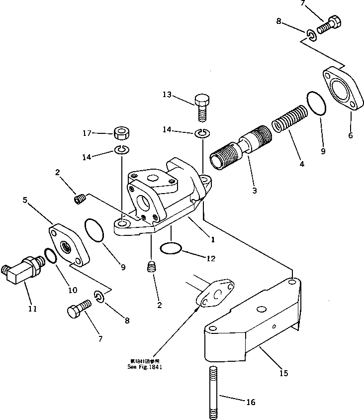
Запчасти Komatsu D355C-3 АВТОМАТИЧЕСКИЙ ВЫПУСКНОЙ КЛАПАН (ДЛЯ ВСПОМОГ. СИСТ. ТОРМОЗНОГО МЕХ-МА)(№7-) ОПЦИОННЫЕ КОМПОНЕНТЫ

Схема запчастей Komatsu D355C-3 - АВТОМАТИЧЕСКИЙ ВЫПУСКНОЙ КЛАПАН (ДЛЯ ВСПОМОГ. СИСТ. ТОРМОЗНОГО МЕХ-МА)(№7-) ОПЦИОННЫЕ КОМПОНЕНТЫ
FIT
1:1
100%

Артикул

Название

Примечание

Количество

|$0

196-33-00010

VALVE ASS'Y

SN: 12675-UP

1шт.

1

195-33-14461

BODY

SN: 4001-UP

1шт.

2

07043-50108

PLUG

SN: 4001-UP

1шт.

3

195-33-14470

SPOOL

SN: 4001-UP

1шт.

4

195-33-14480

SPRING

SN: 4001-UP

1шт.

5

195-33-14150

FLANGE

SN: 4001-UP

1шт.

6

195-33-14140

FLANGE

SN: 4001-UP

1шт.

7

01010-81035

BOLT

SN: 4001-UP

4шт.

8

01602-21030

WASHER

SN: 4001-UP

4шт.

9

07000-03038

O-RING

SN: 4001-UP

2шт.

10

07002-02034

O-RING

SN: 4001-UP

1шт.

11

20R-62-11930

ELBOW

SN: 4001-UP

1шт.

12

07000-03025

O-RING

SN: 4001-UP

1шт.

13

01010-81290

BOLT

SN: 12675-UP

1шт.

14

01643-31232

WASHER

SN: 4001-UP

2шт.

15

196-33-31160

BLOCK

SN: 12675-UP

1шт.

16

01124-51290

STUD

SN: 12675-UP

1шт.

17

01580-11210

NUT

SN: 12675-UP

1шт.

Выбрано товаров: 18