Запчасти Komatsu D355C-3 КРЕСТОВИНА(№9-) ГИДРОТРАНСФОРМАТОР И ТРАНСМИССИЯ

Схема запчастей Komatsu D355C-3 - КРЕСТОВИНА(№9-) ГИДРОТРАНСФОРМАТОР И ТРАНСМИССИЯ
FIT
1:1
100%

Артикул

Название

Примечание

Количество

|$0

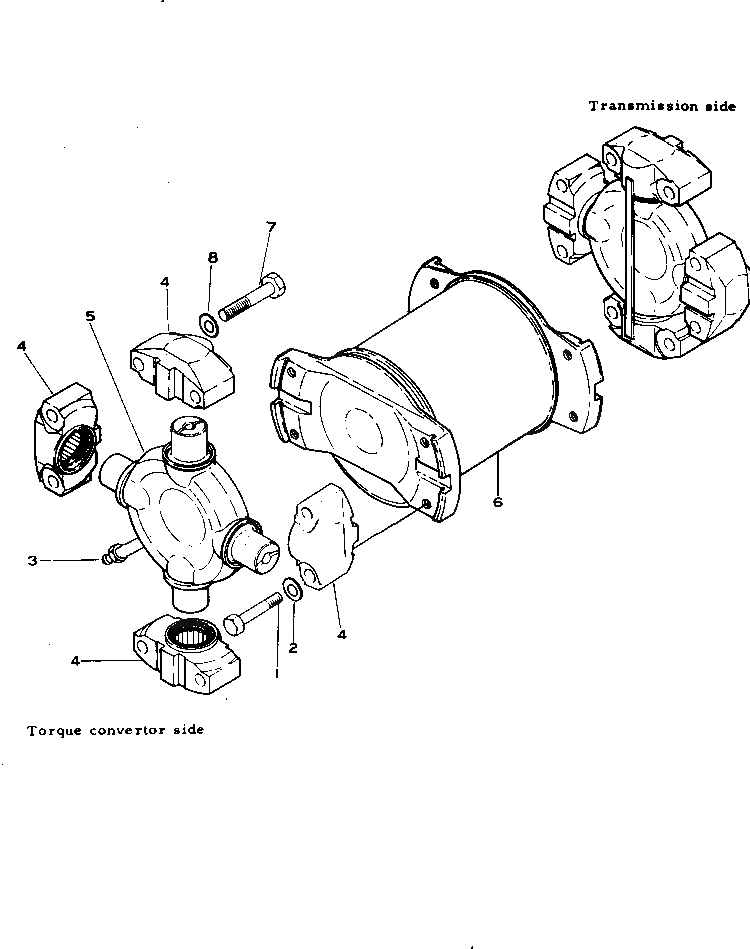
196-20-00010

UNIVESAL JOINT ASS'Y

SN: 3259-UP

1шт.

1

01010-61260

BOLT

SN: 3259-UP

8шт.

2

01643-31232

WASHER

SN: 3259-UP

8шт.

2

175-20-00060

JOINT ASS'Y

SN: 3259-UP

2шт.

3

175-20-11140

FITTING

SN: 3259-UP

1шт.

4

175-20-11110

BEARING

SN: 3259-UP

4шт.

5

175-20-11120

SPIDER

SN: 3259-UP

1шт.

6

196-20-11100

SHAFT ASS'Y

SN: 3259-UP

1шт.

7

01010-61260

BOLT

SN: 3259-UP

8шт.

8

01643-31232

WASHER

SN: 3259-UP

8шт.

Выбрано товаров: 10