Запчасти Komatsu D85C-21-A КАБИНА (ВЕНТИЛЯТОР¤ЗАДН. РАБОЧ. ОСВЕЩЕНИЕ И ДВОРНИКИ)(№778-) КАБИНА ОПЕРАТОРА И СИСТЕМА УПРАВЛЕНИЯ

Схема запчастей Komatsu D85C-21-A - КАБИНА (ВЕНТИЛЯТОР¤ЗАДН. РАБОЧ. ОСВЕЩЕНИЕ И ДВОРНИКИ)(№778-) КАБИНА ОПЕРАТОРА И СИСТЕМА УПРАВЛЕНИЯ
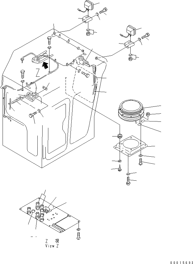
1
2
3
4
5
6
7
8
9
10
11
12
13
14
15
15
15
15
16
17
18
19
20
21
22
22
23
24
25
26
27
28
29
29
30
30
31
32
FIT
1:1
100%

Артикул

Название

Примечание

Количество

1

195-979-3323

VENTILATOR ASS'Y

SN: 37613-UP

1шт.

2

195-911-4611

PLATE

SN: 37613-UP

1шт.

3

195-911-4621

PLATE

SN: 37613-UP

1шт.

4

01220-30630

SCREW

SN: 37613-UP

4шт.

5

01580-10605

NUT

SN: 37613-UP

4шт.

6

01643-30623

WASHER

SN: 37613-UP

4шт.

7

196-911-2790

COVER

SN: 37613-UP

1шт.

8

01010-81020

BOLT

SN: 37613-UP

6шт.

9

01602-21030

WASHER

SN: 37613-UP

6шт.

10

08037-01610

GROMMET

SN: 37613-UP

1шт.

11

01370-00408

SCREW

SN: 37613-UP

1шт.

12

01641-20405

WASHER

SN: 37613-UP

1шт.

13

195-979-3290

SWITCH

SN: 37613-UP

1шт.

14

195-911-4591

PLATE

SN: 37613-UP

1шт.

15

196-06-34320

WORK LAMP ASS'Y

SN: 37780-UP

2шт.

|$19

421-06-23330

BULB, 70W

SN: 37780-UP

1шт.

16

156-911-1480

BRACKET,L.H.

SN: 37613-UP

1шт.

17

01010-81015

BOLT

SN: 37613-UP

2шт.

18

01602-21030

WASHER

SN: 37613-UP

2шт.

19

156-911-1590

BRACKET,R.H.

SN: 37613-UP

1шт.

20

01010-81015

BOLT

SN: 37613-UP

2шт.

21

01602-21030

WASHER

SN: 37613-UP

2шт.

22

201-54-13210

GROMMET

SN: 37613-UP

2шт.

23

08061-30020

SWITCH

SN: 37613-UP

1шт.

24

135-Z79-2130

WIPER

SN: 37613-UP

2шт.

25

176-911-3810

SEAT

SN: 37613-UP

2шт.

26

176-911-3790

SEAT

SN: 37613-UP

2шт.

27

01010-80616

BOLT

SN: 37613-UP

4шт.

28

01602-20619

WASHER

SN: 37613-UP

4шт.

29

08184-10500

ARM

SN: 37613-UP

2шт.

30

08185-00300

BLADE

SN: 37613-UP

2шт.

31

195-979-3140

SWITCH

SN: 37613-UP

2шт.

32

195-979-5380

CAP

SN: 37780-UP

2шт.

Выбрано товаров: 33