Запчасти Komatsu D85C-21-A КАБИНА (ВОЗДУХОВОД И КОМПОНЕНТЫ КОНДИЦИОНЕРА)(№-7779) КАБИНА ОПЕРАТОРА И СИСТЕМА УПРАВЛЕНИЯ

Схема запчастей Komatsu D85C-21-A - КАБИНА (ВОЗДУХОВОД И КОМПОНЕНТЫ КОНДИЦИОНЕРА)(№-7779) КАБИНА ОПЕРАТОРА И СИСТЕМА УПРАВЛЕНИЯ
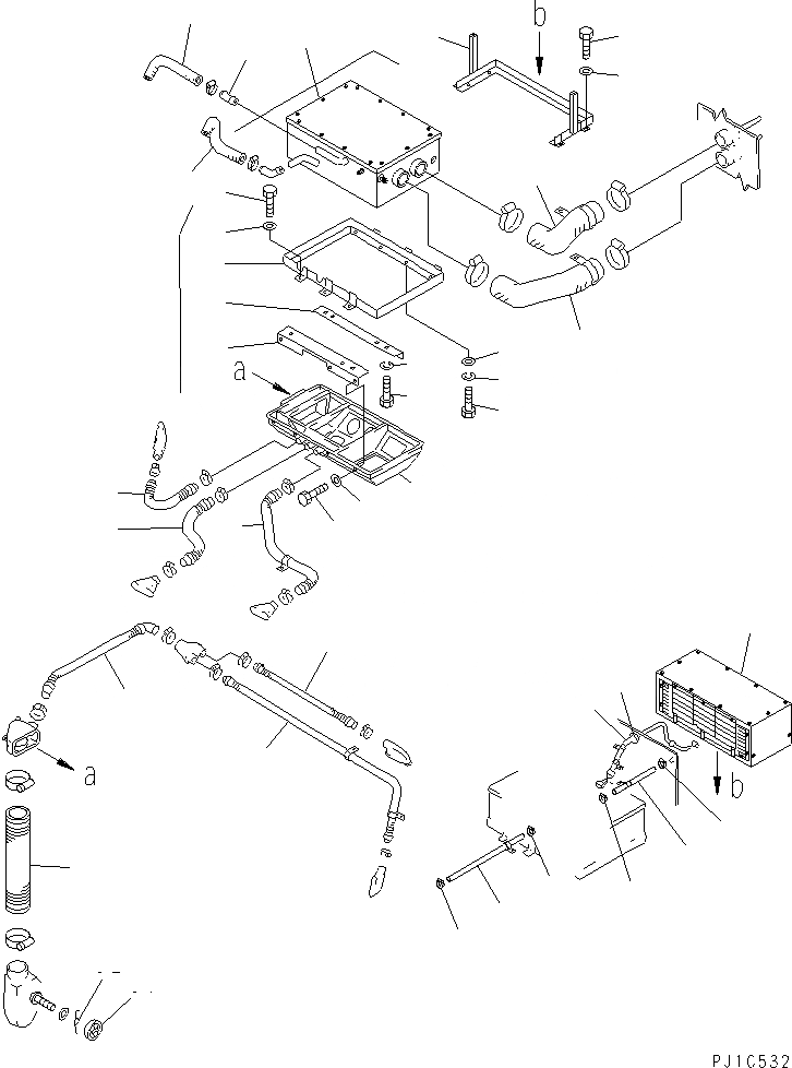
1
2
3
4
5
6
7
8
9
10
11
12
13
14
15
15
16
17
17
18
19
20
21
22
23
24
25
26
27
28
29
30
31
32
33
34
35
36
37
38
FIT
1:1
100%

Артикул

Название

Примечание

Количество

1

176-911-4460

FRAME

SN: 36551-@

1шт.

2

01010-81230

BOLT

SN: 36551-@

6шт.

3

01643-31232

WASHER

SN: 36551-@

6шт.

4

01010-81025

BOLT

SN: 36551-@

8шт.

5

01602-21030

WASHER

SN: 36551-@

8шт.

6

01643-31032

WASHER

SN: 36551-@

8шт.

7

145-Z79-5103

UNIT ASS'Y

SN: 36551-@

1шт.

8

145-Z79-5303

CONDENSER ASS'Y

SN: 36551-@

1шт.

9

195-979-4120

FRAME

SN: 36551-@

1шт.

10

01010-81230

BOLT

SN: 36551-@

4шт.

11

01643-31232

WASHER

SN: 36551-@

4шт.

12

176-911-4580

WIRE ASS'Y

SN: 36551-@

1шт.

13

08037-02512

GROMMET

SN: 36551-@

1шт.

14

07270-21243

TUBE

SN: 36551-@

1шт.

15

07281-00197

CLAMP

SN: 36551-@

2шт.

16

07270-21240

TUBE

SN: 36551-@

1шт.

17

07281-00197

CLAMP

SN: 36551-@

2шт.

18

195-979-4481

BRACKET

SN: 36551-@

1шт.

19

195-979-4491

BRACKET

SN: 36551-@

1шт.

20

01010-80820

BOLT

SN: 36551-@

8шт.

21

01643-30823

WASHER

SN: 36551-@

8шт.

22

145-Z79-5201

GRILLE ASS'Y

SN: 36551-@

1шт.

23

01010-80820

BOLT

SN: 36551-@

8шт.

24

01643-30823

WASHER

SN: 36551-@

8шт.

|$42

176-911-4101

PIPING ASS'Y

SN: 36551-@

1шт.

25

195-979-5680

HOSE

SN: 36551-@

1шт.

26

198-904-4310

HOSE

SN: 36551-@

1шт.

27

176-911-4270

HOSE

SN: 36551-@

1шт.

28

176-911-4230

HOSE

SN: 36551-@

1шт.

29

09485-04507

HOSE

SN: 36551-@

1шт.

30

176-911-4320

HOSE

SN: 36551-@

1шт.

31

145-Z79-5240

GRILLE

SN: 36551-@

2шт.

32

145-Z79-5250

HOLDER

SN: 36551-@

2шт.

33

196-911-3570

HOSE

SN: 36551-@

1шт.

34

196-911-3580

HOSE

SN: 36551-@

1шт.

35

09484-00560

CONNECTOR

SN: 37613-@

1шт.

|$54

195-979-4380

JOINT

SN: 36551-37612

1шт.

36

176-911-4690

HOSE

SN: 36551-@

1шт.

37

176-911-4710

HOSE

SN: 36551-@

1шт.

38

09485-04516

HOSE

SN: 36551-@

1шт.

Выбрано товаров: 40