Запчасти Komatsu D85C-21 ПОДОГРЕВ. РАКЕТНОГО ТИПА ЧАСТИ КОРПУСА

Схема запчастей Komatsu D85C-21 - ПОДОГРЕВ. РАКЕТНОГО ТИПА ЧАСТИ КОРПУСА
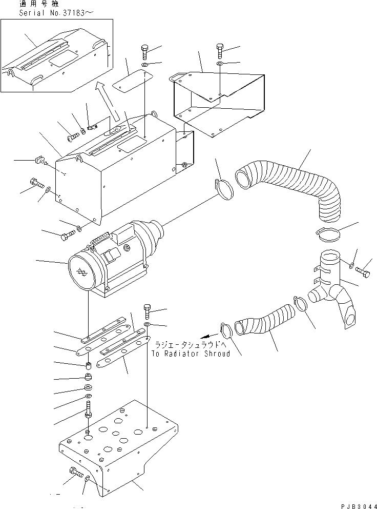
1
2
2
3
3
4
5
6
7
8
9
10
11
12
13
14
14
15
16
17
18
19
20
21
22
23
23
24
24
25
26
27
28
29
29
30
31
32
33
34
34
FIT
1:1
100%

Артикул

Название

Примечание

Количество

1

196-01-25310

HEATER

SN: 36551-UP

1шт.

2

195-01-16150

CUSHION

SN: 36551-UP

2шт.

3

195-01-16120

PLATE

SN: 36551-UP

2шт.

4

195-01-16160

CUSHION

SN: 36551-UP

6шт.

5

195-01-16130

COVER

SN: 36551-UP

6шт.

6

195-01-16140

SPACER

SN: 36551-UP

6шт.

7

01010-81055

BOLT

SN: 36551-UP

6шт.

8

01643-31032

WASHER

SN: 36551-UP

6шт.

9

01010-81235

BOLT

SN: 36551-UP

4шт.

10

01643-31232

WASHER

SN: 36551-UP

4шт.

11

156-01-25110

BRACKET

SN: 36551-UP

1шт.

12

01010-81635

BOLT

SN: 36551-UP

5шт.

13

01643-31645

WASHER

SN: 36551-UP

5шт.

14

156-01-25120

COVER

SN: 36551-UP

1шт.

15

195-54-23810

HINGE

SN: 36551-UP

1шт.

16

20B-54-12210

SPRING

SN: 36551-UP

1шт.

17

01220-40416

SCREW

SN: 36551-UP

2шт.

18

01641-20405

WASHER

SN: 36551-UP

2шт.

19

09459-20000

LOCK

SN: 36551-UP

2шт.

20

156-01-25170

COVER

SN: 36551-UP

1шт.

21

01010-81230

BOLT

SN: 36551-UP

4шт.

22

01643-31232

WASHER

SN: 36551-UP

4шт.

23

01010-81230

BOLT

SN: 36551-UP

7шт.

24

01643-31232

WASHER

SN: 36551-UP

7шт.

25

156-01-25130

COVER

SN: 36551-UP

1шт.

26

01010-81230

BOLT

SN: 36551-UP

6шт.

27

01643-31232

WASHER

SN: 36551-UP

6шт.

28

156-01-25140

DUCT

SN: 36551-UP

1шт.

29

196-01-26150

CLAMP

SN: 36551-UP

2шт.

30

156-01-25150

DUCT

SN: 36551-UP

1шт.

31

01010-81225

BOLT

SN: 36551-UP

4шт.

32

01643-31232

WASHER

SN: 36551-UP

4шт.

33

156-01-25160

DUCT

SN: 36551-UP

1шт.

34

07289-00095

CLAMP

SN: 36846-UP

2шт.

34

0

CLAMP

SN: 36551-36845

2шт.

Выбрано товаров: 35