Запчасти Komatsu D85C-21 КАБИНА (ВЕНТИЛЯТОР¤ ЗАДН. ОСВЕЩЕНИЕ И ДВОРНИКИ) (С COMBUSTIBLE ОБОГРЕВАТЕЛЬ.) (БЕЗОПАСН. REGULATION ДЛЯ СНГ)(№79-78) КАБИНА ОПЕРАТОРА И СИСТЕМА УПРАВЛЕНИЯ

Схема запчастей Komatsu D85C-21 - КАБИНА (ВЕНТИЛЯТОР¤ ЗАДН. ОСВЕЩЕНИЕ И ДВОРНИКИ) (С COMBUSTIBLE ОБОГРЕВАТЕЛЬ.) (БЕЗОПАСН. REGULATION ДЛЯ СНГ)(№79-78) КАБИНА ОПЕРАТОРА И СИСТЕМА УПРАВЛЕНИЯ
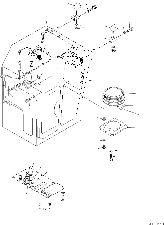
1
2
3
4
5
6
7
8
9
10
11
12
12
12
12
13
14
15
16
17
18
19
19
20
21
21
22
23
24
25
26
26
27
27
28
FIT
1:1
100%

Артикул

Название

Примечание

Количество

1

195-979-3323

VENTILATOR ASS'Y

SN: 37594-@

1шт.

2

195-911-4611

PLATE

SN: 37594-@

1шт.

3

195-911-4621

PLATE

SN: 37594-@

1шт.

4

196-911-2790

COVER

SN: 37594-@

1шт.

5

01010-81020

BOLT

SN: 37594-@

6шт.

6

01602-21030

WASHER

SN: 37594-@

6шт.

7

08037-01610

GROMMET

SN: 37594-@

1шт.

8

01370-00408

SCREW

SN: 37594-@

1шт.

9

01641-20405

WASHER

SN: 37594-@

1шт.

10

195-979-3290

SWITCH

SN: 37594-@

1шт.

11

195-911-4591

PLATE

SN: 37594-@

1шт.

12

08128-52400

LAMP ASS'Y

SN: 37594-37832

2шт.

|$19

08113-02480

BULB, 80W

SN: 37594-37832

1шт.

13

156-911-1480

BRACKET,L.H.

SN: 37594-@

1шт.

14

01010-81015

BOLT

SN: 37594-@

2шт.

15

01602-21030

WASHER

SN: 37594-@

2шт.

16

156-911-1590

BRACKET,R.H.

SN: 37594-@

1шт.

17

01010-81015

BOLT

SN: 37594-@

2шт.

18

01602-21030

WASHER

SN: 37594-@

2шт.

19

08037-01008

GROMMET

SN: 37594-37832

2шт.

20

08061-30020

SWITCH

SN: 37594-@

1шт.

21

135-Z79-2130

WIPER

SN: 37594-@

2шт.

22

176-911-3810

SEAT

SN: 37594-@

2шт.

23

176-911-3790

SEAT

SN: 37594-@

2шт.

24

01010-80616

BOLT

SN: 37594-@

4шт.

25

01602-20619

WASHER

SN: 37594-@

4шт.

26

08184-10500

ARM

SN: 37594-@

2шт.

27

08185-00300

BLADE

SN: 37594-@

2шт.

28

195-979-3140

SWITCH

SN: 37594-@

2шт.

Выбрано товаров: 29