Запчасти Shantui SD13-130 клапан трансмиссии гидротрансформатор, трансмиссия и трубопровод

Схема запчастей Shantui SD13-130 - клапан трансмиссии гидротрансформатор, трансмиссия и трубопровод
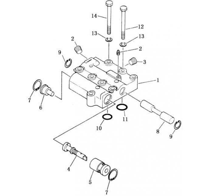
1
2
3
4
5
6
7
8
9
10
11
12
13
14
FIT
1:1
100%

Артикул

Название

Примечание

Количество

1

10Y-75-06005

корпус клапана

2

07042-20108

резьбовая заглушка R1 / 8

3

07043-70415

резьбовая заглушка

4

10Y-75-06019

сердцевина клапан

5

14Y-74-19045

сердцевина клапана

6

10Y-75-06018

блок

7

04065-03212

стопорное кольцо

8

14Y-74-19044

блок

9

04065-02512

стопорное кольцо

10

07000-13025

O-образное кольцо

11

07000-13030

O-образное кольцо

12

01010-51055

Болт М10 * 55

13

01643-31032

Шайба 10

14

01011-51010

Болт М10 * 110

Выбрано товаров: 14