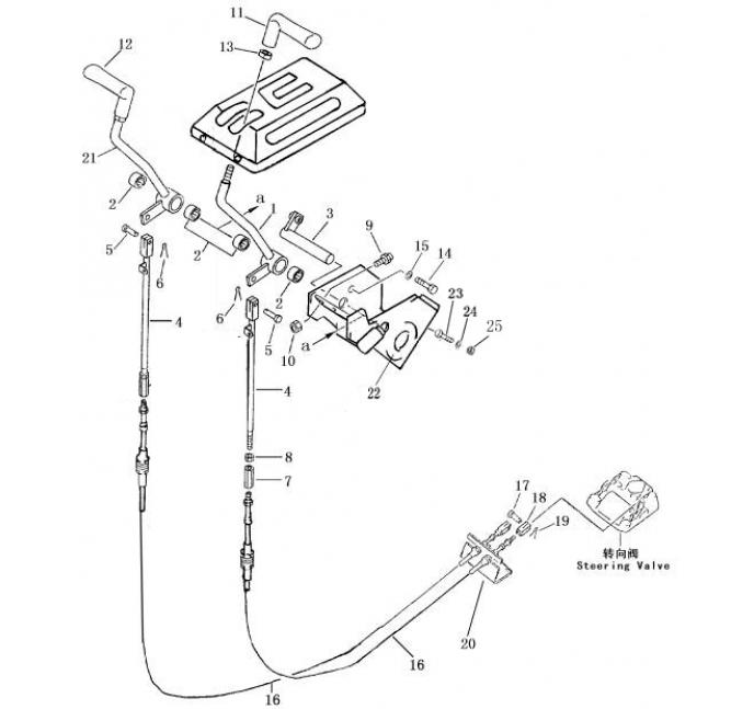
Запчасти Shantui SD13-130 рычаг рулевого управления коробка рулевого механизма и конечная передача

Схема запчастей Shantui SD13-130 - рычаг рулевого управления коробка рулевого механизма и конечная передача
1
2
3
4
5
6
7
8
9
10
11
12
13
14
15
16
17
18
19
20
21
22
23
24
25
FIT
1:1
100%

Артикул

Название

Примечание

Количество

1

16Y-26C-11000

Рычаг (LH)

2

GB290-HK2016

игольчатый роликоподшипник со штампованным наружным кольцом

3

16Y-26C-07000

вал

4

10Y-26B-03000

рычаг

5

04205-10822

цилиндрический штифт

6

04050-12016

шплинт

7

144-43-51130

соединитель

8

01508-40805

гайка M8

9

195-43-41360

амортизатор

10

01583-51006

Гайка М10 * 1,25

11

195-43-41560

рукоятка (левая)

12

195-43-41570

рукоятка (правая)

13

19M-43-11170

гайка

14

01010-50816

болт M8 * 16

15

01643-30823

Шайба 8

16

10Y-26-17000

тросик

17

04205-11028

цилиндрический штифт

18

10Y-26-00006

соединение

19

04050-13018

шплинт

20

10Y-26B-00001

пластина

21

16Y-26C-03000

Педаль (RH) ()

22

16Y-26C-10000

кронштейн

23

01010-51220

Болт М12 * 20

24

01643-31232

Шайба 12

25

01580-01210

гайка М12

Выбрано товаров: 25