Запчасти Shantui SD13-130 рычаг блокировки тормозов коробка рулевого механизма и конечная передача

Схема запчастей Shantui SD13-130 - рычаг блокировки тормозов коробка рулевого механизма и конечная передача
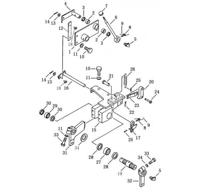
1
2
3
4
5
6
7
8
9
10
11
12
13
14
15
16
17
18
19
20
21
22
23
24
25
26
27
28
29
30
31
32
33
34
FIT
1:1
100%

Артикул

Название

Примечание

Количество

1

10Y-26-03000

пластина

2

GB290-HK2016

игольчатый роликоподшипник со штампованным наружным кольцом

3

06122-02004

пылезащитное уплотнение

4

16Y-26-16000

блокировка рычага

5

07021-01090

лубрикатор 90 ° M10 * 1

6

10Y-26-08000

блокирующий рычаг

7

09304-00835

рукоятка

8

01306-10616

Болт М6 * 16

9

04059-01010

стальной провод

10

01010-51225

Болт М12 * 25

11

01643-31232

Шайба 12

12

10Y-26-00008

соединительная трубка

13

01642-20810

Шайба 8

14

04050-12018

шплинт

15

10Y-26B-01000

опора

16

10Y-26B-02000

наконечник

17

10Y-26-05000

кронштейн

18

04205-10818

цилиндрический штифт

19

10Y-26-00002

вал

20

16Y-26-00011

плита

21

04205-11445

цилиндрический штифт

22

04050-14022

шплинт

23

10Y-26-00001

пластина

24

16Y-26-30000

штифт

25

04050-12016

шплинт

26

16Y-26-00010

блокировка пружины

27

GB290-HK3520

игольчатый роликоподшипник со штампованным наружным кольцом

28

06122-03504

пылезащитное уплотнение

29

GB290-HK2520

игольчатый роликоподшипник со штампованным наружным кольцом

30

06122-02504

пылезащитное уплотнение

31

10Y-26-06000

пластина

32

10Y-26-09000

кронштейн

33

01010-51245

Болт М12 * 45

34

01640-23045

Шайба 30

Выбрано товаров: 34