Запчасти Shantui SD22-220 система контроля расхода топлива сопутствующие детали двигателя

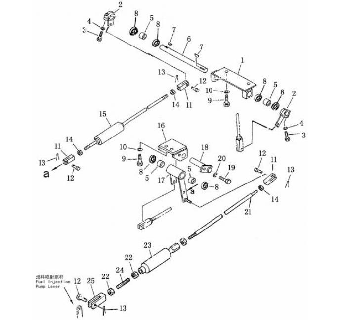
Схема запчастей Shantui SD22-220 - система контроля расхода топлива сопутствующие детали двигателя
1
3
4
5
6
7
8
9
10
11
12
13
14
15
16
17
18
19
20
21
22
23
24
25
FIT
1:1
100%

Артикул

Название

Примечание

Количество

1

17Y-05-11000

кронштейн

2

17Y-05-10000

рычаг

3

01010-50830

болт M8 * 30

4

01602-20825

Шайба 8

5

GB290-HK2012

игольчатый роликоподшипник со штампованным наружным кольцом

6

154-43-44140

вал

7

04010-00519

сегментная шпонка

8

06122-02004

пылезащитное уплотнение

9

01010-51230

Болт М12 * 30

10

01643-31232

Шайба 12

11

198-43-18170

вильчатая пластина

12

04205-10822

цилиндрический штифт

13

04050-12016

шплинт

14

01582-11008

Гайка М10 * 1,25

15

154-43-44162

вал

16

17Y-05-05000

кронштейн

17

17Y-05-06000

рычаг

18

17Y-05-04000

вал

19

01010-51016

Болт М10 * 16

20

01602-21030

Шайба 10

21

23Y-05B-00001

рычаг

22

01580-10806

гайка M8

23

09290-10000

демпфер

24

04245-40806

рычаг

25

04211-20844

вильчатая пластина

Выбрано товаров: 0