Запчасти Shantui SD22-220 клапан трансмиссии гидротрансформатор, трансмиссия и трубопровод

Схема запчастей Shantui SD22-220 - клапан трансмиссии гидротрансформатор, трансмиссия и трубопровод
2
3
4
5
6
7
8
9
10
11
12
13
14
15
16
17
18
19
20
21
22
23
24
25
26
FIT
1:1
100%

Артикул

Название

Примечание

Количество

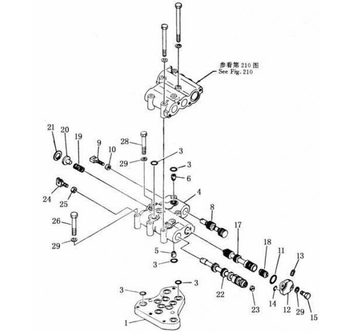
1

154-15-35000

клапан трасмиссии в сборе

2

175-15-45110

корпус клапана

3

07000-73022

O-образное кольцо

4

175-15-45212

корпус клапана

5

175-15-45260

устройство, определяющее местонахождение

6

04260-00952

стальной шарик

7

195-15-15671

устройство, определяющее местонахождение

8

195-15-15680

пружина

9

175-15-45220

шток клапана

10

07000-73032

O-образное кольцо

11

175-15-45471

крышка

12

07042-20108

резьбовая заглушка R1 / 8

13

07000-72016

O-образное кольцо

14

01010-51025

Болт М10 * 25

15

175-15-45420

золотниковый клапан

16

175-15-35430

плунжер

17

195-15-15440

пружина

18

175-15-45450

упор

19

04065-03515

стопорное кольцо

20

175-15-45231

гладкая втулка

21

144-15-25210

палец

22

09363-01053

скоба

23

01580-11008

гайка М10

24

01010-51075

Болт М10 * 75

25

175-15-45160

болт

26

01602-21030

Шайба 10

Выбрано товаров: 26