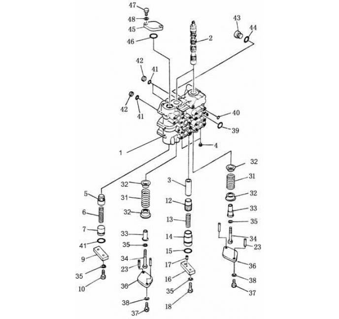
Запчасти Shantui SD22-220 подъемное лезвие и наклонный клапан система управления рабочим оборудованием

Схема запчастей Shantui SD22-220 - подъемное лезвие и наклонный клапан система управления рабочим оборудованием
3
4
5
6
7
8
9
10
11
12
13
14
15
16
17
18
19
20
21
22
23
24
25
26
27
28
29
30
31
32
33
34
35
37
FIT
1:1
100%

Артикул

Название

Примечание

Количество

1

701-33-48001

блок главного клапана

2

701-34-11002

распределительный клапан в сборе (отвал)

3

701-33-46310

корпус клапана

4

701-33-31430

золотниковый клапан

5

701-33-46320

кожух клапана

6

07043-70415

резьбовая заглушка

7

701-33-31120

клапан

8

701-33-31130

пружина

9

701-33-31150

посадка

10

701-33-31160

подкладка

11

01010-51235

Болт М12 * 35

12

701-21-33130

клапан

13

701-21-33140

пружина

14

701-33-46330

посадка

15

07000-12018

O-образное кольцо

16

701-33-32160

подкладка

17

04020-00514

цилиндрический штифт

18

01010-51240

Болт М12 * 40

19

701-33-46350

патрубок

20

701-33-31191

пружина

21

701-33-31380

стопорное кольцо

22

701-33-46171

патрубок

23

01010-51280

Болт М12 * 80

24

01602-21236

Шайба 12

25

701-33-46340

пластина

26

01010-51095

Болт М10 * 95

27

01602-21030

Шайба 10

28

07000-13045

O-образное кольцо

29

07000-12015

O-образное кольцо

30

07000-13035

O-образное кольцо

31

701-40-61180

кольцо подкладное

32

07040-13016

резьбовая заглушка

33

07002-13034

O-образное кольцо

34

701-33-31360

пластина

35

07000-13040

O-образное кольцо

36

01010-51440

Болт М14 * 40

37

01602-21442

Шайба 14

Выбрано товаров: 37