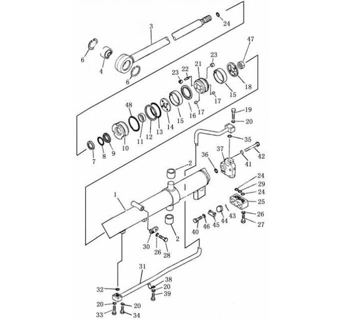
Запчасти Shantui SD22-220 гидроцилиндр подъема отвала(1/2) система управления рабочим оборудованием

Схема запчастей Shantui SD22-220 - гидроцилиндр подъема отвала(1/2) система управления рабочим оборудованием
3
4
5
6
7
8
9
10
11
12
13
14
15
16
17
18
19
20
21
22
23
24
25
26
27
28
29
30
31
32
33
34
35
36
37
38
39
40
41
42
43
44
45
46
47
48
49
FIT
1:1
100%

Артикул

Название

Примечание

Количество

1

23Y-62B-01000

гидроцилиндр отвала в сборе (левый)

2

23Y-62B-02000

гидроцилиндр отвала в сборе (правый)

3

23Y-62B-01200

корпус цилиндра

4

154-63-12340

втулка

5

23Y-62B-01300

поршневой шток

6

07137-04507

радиально-упорный подшипник

7

04065-01030

стопорное кольцо

8

23Y-62B-01001

пылезащитное кольцо

9

23Y-62B-01002

KY-кольцо

10

23Y-62B-01100

штоковое уплотнение OMS-MR

11

23Y-62B-01006

головка цилиндра

12

23Y-62B-01003

кольцо направляющее

13

07146-02116

защитное кольцо

14

07000-12115

O-образное кольцо

15

23Y-62B-01004

перегородка

16

23Y-62B-01005

опорное кольцо

17

23Y-62B-01500

поршневое уплотнение OMK-MR

18

130-63-12761

палец

19

707-40-12030

перегородка

20

01010-51065

Болт М10 * 65

21

01643-31032

Шайба 10

22

23Y-62B-01401

поршень

23

154-63-12471

поршневой клапан

24

154-63-12860

гнездо клапана

25

07000-13038

O-образное кольцо

26

154-63-12550

колено

27

01643-31232

Шайба 12

28

01010-51270

Болт М12 * 70

29

01010-51245

Болт М12 * 45

30

07000-13045

O-образное кольцо

31

154-61-11621

стопорное кольцо

32

23Y-62B-01600

трубка

33

07000-13035

O-образное кольцо

34

01010-51050

Болт М10 * 50

35

01010-51055

Болт М10 * 55

36

07000-13048

O-образное кольцо

37

07000-12055

O-образное кольцо

38

154-63-14001

монтажный клапан в сборе

39

07282-13411

хомут

40

01010-51020

Болт М10 * 20

41

01010-50830

болт M8 * 30

42

01643-31645

Шайба 16

43

01011-51615

Болт М16 * 115

44

07000-13025

O-образное кольцо

45

07378-10600

пылезащитная крышка

46

07371-30638

фланец

47

01643-30823

Шайба 8

48

07165-13941

гайка

49

07000-12120

O-образное кольцо

Выбрано товаров: 0