Запчасти Shantui SD32-320 крыло защитная крышка

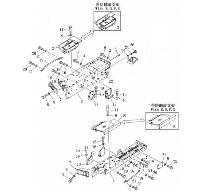
Схема запчастей Shantui SD32-320 - крыло защитная крышка
1
2
3
4
5
6
7
8
9
10
11
12
13
14
15
16
17
18
19
20
21
22
23
24
25
26
27
28
29
30
FIT
1:1
100%

Артикул

Название

Примечание

Количество

1

171-51-14000

крыло

2

171-51-11000

крыло

3

01010-52450

Болт М24 * 50

4

01643-32460

Шайба 24

5

07049-02430

пылезащитная заглушка

6

01010-52465

Болт М24 * 65

7

171-51-01000

крышка фары

8

171-51-22000

крышка фары

9

01010-51225

Болт М12 * 25

10

01643-31232

Шайба 12

11

171-51-20000

крышка

12

171-51-21000

крышка

13

01011-51275

Болт М12 * 175

14

171-51-02000

крышка

15

171-51-03000

крышка

16

175-54-26255

кронштейн

17

175-54-26272

кронштейн

18

01010-51655

Болт М16 * 55

19

01643-31645

Шайба 16

20

175-54-26263

кронштейн левый

21

175-54-34110

кронштейн правый

22

01010-51645

Болт М16 * 25

23

175-54-22840

ручка

24

01010-51445

Болт М14 * 45

25

01643-31445

Шайба 14

26

175-54-22420

крышка

27

01010-51235

Болт М12 * 35

28

195-54-23991

педаль

29

01010-51850

Болт M18 * 50

30

01643-31845

Шайба 18

Выбрано товаров: 30