Запчасти Shantui SD32-320 крепление гидроцилиндра защитная крышка

Схема запчастей Shantui SD32-320 - крепление гидроцилиндра защитная крышка
2
3
4
5
6
7
8
9
10
11
12
13
14
15
16
17
18
19
FIT
1:1
100%

Артикул

Название

Примечание

Количество

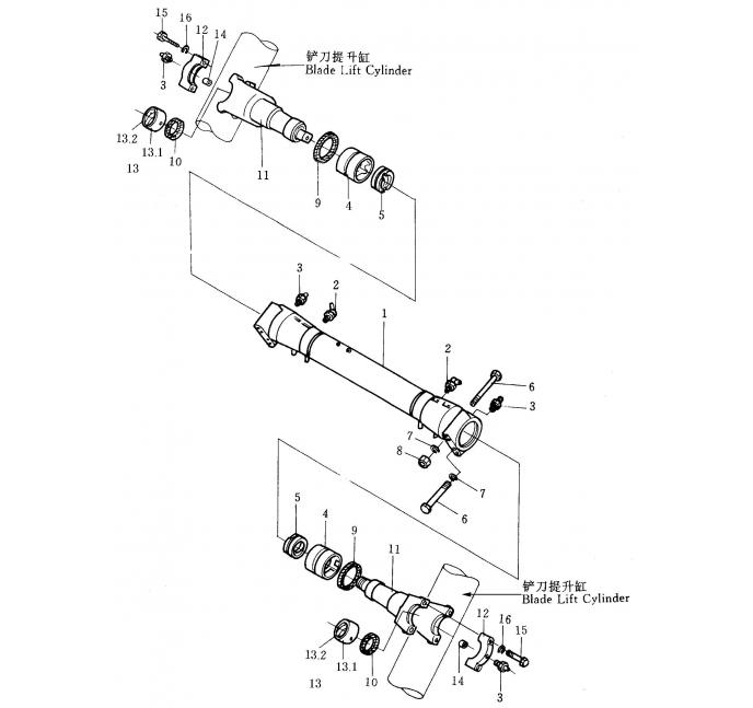
1

175-61-C1000

крепление гидроцилиндра

2

175-61-C1110

стойка

3

07021-01060

лубрикатор 60 ° M10 * 1

4

07020-01021

лубрикатор M10 * 1

5

175-61-15140

втулка

6

175-61-15151

втулка

7

175-61-15130

болт

8

01602-22783

Шайба 27

9

01580-12722

гайка М27

10

07145-00125

пылезащитное кольцо

11

07145-00085

пылезащитное кольцо

12

175-61-12114

посадка

13

175-60-19121

крышка

14

175-60-19141

заглушка

15

175-61-12121

вкладыш

16

175-61-15201

вкладыш

17

170-70-15190

вал

18

01010-51890

Болт M18 * 90

19

01602-21854

Шайба 18

Выбрано товаров: 19