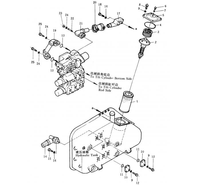
Запчасти Shantui SD32-320 масляный бак (2/2) система управления рабочим оборудованием

Схема запчастей Shantui SD32-320 - масляный бак (2/2) система управления рабочим оборудованием
2
3
4
5
6
7
8
9
10
11
12
13
14
15
16
17
18
19
20
22
23
24
25
26
FIT
1:1
100%

Артикул

Название

Примечание

Количество

1

175-60-29006

масляный бак в сборе

2

175-60-27380

очистительный фильтр

3

175-60-27300

блок клапанов

4

175-60-27340

пружина

5

07000-15150

O-образное кольцо

6

175-60-27171

крышка

7

154-60-12260

штекер

8

07000-12010

O-образное кольцо

9

01010-51235

Болт М12 * 35

10

01602-21236

Шайба 12

11

07378-01460

пылезащитная крышка

12

07000-13048

O-образное кольцо

13

01010-51240

Болт М12 * 40

14

07000-13050

O-образное кольцо

15

175-60-29130

буферное устройство

16

01010-51230

Болт М12 * 30

17

01643-31232

Шайба 12

18

175-60-27262

коленчатый патрубок

19

01010-51275

Болт М12 * 75

20

175-60-27253

трубка

21

07332-01400

соединитель

22

175-60-27272

коленчатый патрубок

23

01144-51435

шпилька

24

01580-01411

гайка M14

25

01643-31445

Шайба 14

26

01010-51445

Болт М14 * 45

Выбрано товаров: 26