Запчасти Volvo ABG2820 53783 Hydraulic diagram ABG2820 S/N 20814 -

Схема запчастей Volvo ABG2820 - 53783 Hydraulic diagram ABG2820 S/N 20814 -
FIT
1:1
100%

Артикул

Название

Примечание

Количество

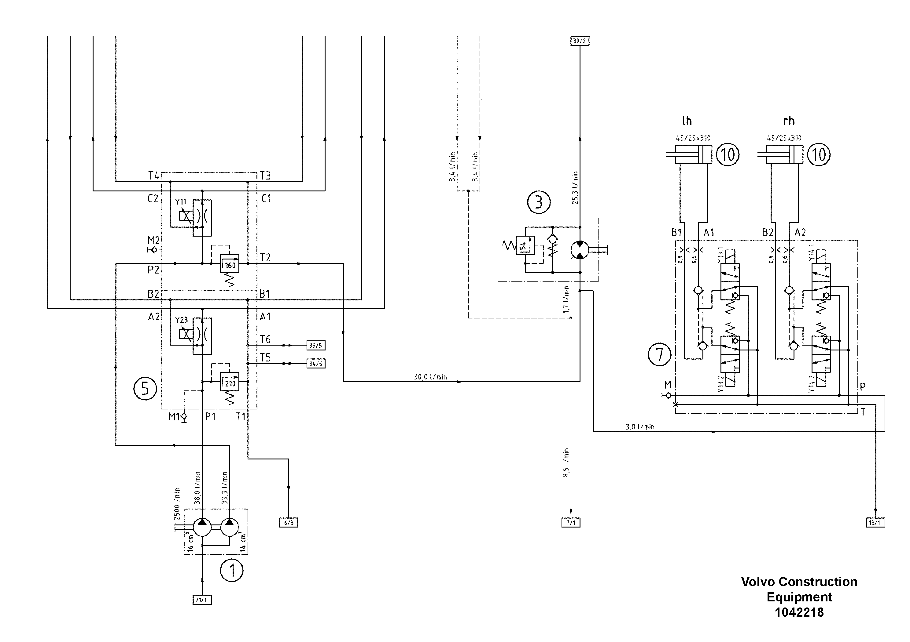
1

RM 87982377

Пилотный (шестерёнчатый) насос

1шт.

1

RM 87982377

Пилотный (шестерёнчатый) насос

1шт.

10

RM 54731237

Гидроцилиндр

1шт.

10

RM 54731237

Гидроцилиндр

1шт.

3

RM 54718119

Гидромотор

1шт.

3

RM 54718119

Гидромотор

1шт.

5

RM 80666118

Valve block

1шт.

5

RM 80666118

Valve block

1шт.

7

RM 54699962

Клапан регулирующий (распределительный)

1шт.

7

RM 54699962

Клапан регулирующий (распределительный)

1шт.

Выбрано товаров: 10